Black and Decker Parts

Black and Decker Variable Speed Electric Scroller Jig Saw Replacement Parts For Model 7588 (Type 1)

We Sell Only Genuine Black and Decker Parts

Popular Parts for 7588

Search Within Model

Browse all Parts Search by Area
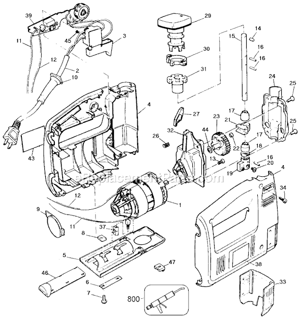
Page A Diagram and Parts List for Type 1 Black and Decker Jig Saw
Page A
Previous Showing All Parts Next
Page A
Page A Diagram and Parts List for Type 1 Black and Decker Jig Saw
  • 1
    Motor Assembly – Part Number: 576376-04
    Motor Assembly
    Part Number: 576376-04
      No Longer Available
  • 2
    Cord/8 Ft/18-2 – Part Number: 330073-98
    Cord/8 Ft/18-2
    Part Number: 330073-98
    ★★★★★
    ★★★★★
    (4)
      In Stock
    $24.47
  • 5
    Shoe – Part Number: 823909-00
    Shoe
    Part Number: 823909-00
      No Longer Available
  • 6
    Support – Part Number: 805981-00
    Support
    Part Number: 805981-00
      No Longer Available
  • 7
    Screw – Part Number: 376409-00
    Screw
    Part Number: 376409-00
      No Longer Available
  • 8
    Nut – Part Number: 845591-00
    Nut
    Part Number: 845591-00
      No Longer Available
  • 10
    Cord Protector – Part Number: 770235
    Cord Protector
    Part Number: 770235
      In Stock
    $6.16
  • 12
    Lead,Bot.Switch – Part Number: 830393-00
    Lead,Bot.Switch
    Part Number: 830393-00
      No Longer Available
  • 13
    Screw – Part Number: 793254-00
    Screw
    Part Number: 793254-00
      No Longer Available
  • 14
    Pin, Guide – Part Number: 811057-00
    Pin, Guide
    Part Number: 811057-00
      No Longer Available
  • 16
    Pin – Part Number: 374292-00
    Pin
    Part Number: 374292-00
      No Longer Available
  • 17
    Bearing, Sleeve – Part Number: 889761-00
    Bearing, Sleeve
    Part Number: 889761-00
      No Longer Available
  • 20
    Screw – Part Number: 808548-00
    Screw
    Part Number: 808548-00
      No Longer Available
  • 21
    Yoke – Part Number: 811051-00
    Yoke
    Part Number: 811051-00
      No Longer Available
  • 22
    Roller – Part Number: 811058-00
    Roller
    Part Number: 811058-00
      No Longer Available
  • 23
    Gear – Part Number: 811055-00
    Gear
    Part Number: 811055-00
      No Longer Available
  • 25
    Screw – Part Number: 812171
    Screw
    Part Number: 812171
      No Longer Available
  • 29
    Handle – Part Number: 832437-00
    Handle
    Part Number: 832437-00
      No Longer Available
  • 32
    Case,Gear – Part Number: 807617-49
    Case,Gear
    Part Number: 807617-49
      No Longer Available
  • 33
    Guard – Part Number: 826918-00
    Guard
    Part Number: 826918-00
      No Longer Available
  • 34
    Screw – Part Number: 809961-00
    Screw
    Part Number: 809961-00
      No Longer Available
  • 37
    Brush and Holder – Part Number: 832457-00
    Brush and Holder
    Part Number: 832457-00
      No Longer Available
  • 46
    Container,Blade – Part Number: 832441-00
    Container,Blade
    Part Number: 832441-00
      No Longer Available
  • 800
    Grease:4 LB Can – Part Number: 429698-00
    Grease:4 LB Can
    Part Number: 429698-00
      In Stock
    $126.41