Generac Parts

Generac St03015ansx 30kw 1.5 120/240 1p Ng St S 2012-02-22 (6959039 - 6959039) Generator Replacement Parts For Model ST03015ANSX ((6959039)(2012))

We Sell Only Genuine Generac Parts

Popular Parts for ST03015ANSX

Search Within Model

Browse all Parts Search by Area
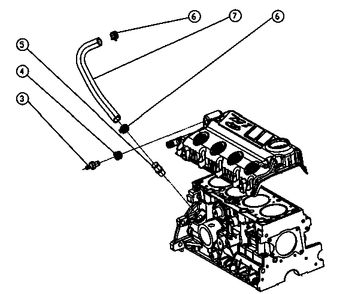
1.5l Gas Engine Blow By System Assembly Diagram and Parts List for (6959039)(2012) Generac Generator
1.5l Gas Engine Blow By System Assembly
1.5l Gas Engine Coolant System Diagram and Parts List for (6959039)(2012) Generac Generator
1.5l Gas Engine Coolant System
1.5l Gas Engine Crankshaft Assembly Diagram and Parts List for (6959039)(2012) Generac Generator
1.5l Gas Engine Crankshaft Assembly
1.5l Gas Engine Cylinder Block Diagram and Parts List for (6959039)(2012) Generac Generator
1.5l Gas Engine Cylinder Block
1.5l Gas Engine Cylinder Head Assembly Diagram and Parts List for (6959039)(2012) Generac Generator
1.5l Gas Engine Cylinder Head Assembly
1.5l Gas Engine Lubrication System Diagram and Parts List for (6959039)(2012) Generac Generator
1.5l Gas Engine Lubrication System
1.5l Gas Engine Timing System Diagram and Parts List for (6959039)(2012) Generac Generator
1.5l Gas Engine Timing System
1.5l Gas Engine Valve Train Assembly Diagram and Parts List for (6959039)(2012) Generac Generator
1.5l Gas Engine Valve Train Assembly
Alternator Common Parts Diagram and Parts List for (6959039)(2012) Generac Generator
Alternator Common Parts
Battery C1 1.6l Diagram and Parts List for (6959039)(2012) Generac Generator
Battery C1 1.6l
Connection Box C1 Cpl Diagram and Parts List for (6959039)(2012) Generac Generator
Connection Box C1 Cpl
Connection Box C1 Cpl Diagram and Parts List for (6959039)(2012) Generac Generator
Connection Box C1 Cpl
Connection Box C1 Cpl Diagram and Parts List for (6959039)(2012) Generac Generator
Connection Box C1 Cpl
Ehaust System1.6l Diagram and Parts List for (6959039)(2012) Generac Generator
Ehaust System1.6l
Ev Battery C1 1.6l Diagram and Parts List for (6959039)(2012) Generac Generator
Ev Battery C1 1.6l
Ev Cooling System 1.5l Diagram and Parts List for (6959039)(2012) Generac Generator
Ev Cooling System 1.5l
Ev Enclosure C1 Cpl Diagram and Parts List for (6959039)(2012) Generac Generator
Ev Enclosure C1 Cpl
Ev Engine Common Parts 1.5l Diagram and Parts List for (6959039)(2012) Generac Generator
Ev Engine Common Parts 1.5l
Ev Exhaust System 1.6l Diagram and Parts List for (6959039)(2012) Generac Generator
Ev Exhaust System 1.6l
Ev Fulesys Ng/Lpv 1.5l Diagram and Parts List for (6959039)(2012) Generac Generator
Ev Fulesys Ng/Lpv 1.5l
Mounting Base 1.6l Diagram and Parts List for (6959039)(2012) Generac Generator
Mounting Base 1.6l
Previous Showing All Parts Next
1.5l Gas Engine Blow By System Assembly
1.5l Gas Engine Blow By System Assembly Diagram and Parts List for (6959039)(2012) Generac Generator
1.5l Gas Engine Coolant System
1.5l Gas Engine Coolant System Diagram and Parts List for (6959039)(2012) Generac Generator
1.5l Gas Engine Crankshaft Assembly
1.5l Gas Engine Crankshaft Assembly Diagram and Parts List for (6959039)(2012) Generac Generator
1.5l Gas Engine Cylinder Block
1.5l Gas Engine Cylinder Block Diagram and Parts List for (6959039)(2012) Generac Generator
1.5l Gas Engine Cylinder Head Assembly
1.5l Gas Engine Cylinder Head Assembly Diagram and Parts List for (6959039)(2012) Generac Generator
1.5l Gas Engine Lubrication System
1.5l Gas Engine Lubrication System Diagram and Parts List for (6959039)(2012) Generac Generator
  • 1
    Dipstick – Part Number: 0G02070126
    Dipstick
    Part Number: 0G02070126
      Special Order
    $10.94
  • 2
    Oil Pump Bolt – Part Number: 0G02070124
    Oil Pump Bolt
    Part Number: 0G02070124
      Special Order
    $6.16
  • 3
    Pump Oil – Part Number: 0J15560171
    Pump Oil
    Part Number: 0J15560171
      Special Order
    $229.67
  • 4
    Oil Pump Gasket – Part Number: 0G02070122
    Oil Pump Gasket
    Part Number: 0G02070122
      Special Order
    $6.90
  • 5
    Gasket – Part Number: 0G02070119
    Gasket
    Part Number: 0G02070119
      Special Order
    $6.16
  • 6
    Gasketseal Oil Pan – Part Number: 0J15560165
    Gasketseal Oil Pan
    Part Number: 0J15560165
      Special Order
    $69.00
  • 9
    Bolt Assembly Hexagon – Part Number: 0J15560220
    Bolt Assembly Hexagon
    Part Number: 0J15560220
      No Longer Available
  • 10
    Bolt Assembly Hexagon – Part Number: 0J15560221
    Bolt Assembly Hexagon
    Part Number: 0J15560221
      No Longer Available
  • 11
    Pan Assembly. Oil – Part Number: 0J15560164
    Pan Assembly. Oil
    Part Number: 0J15560164
      Special Order
    $467.77
  • 12
    Oil Strainer – Part Number: 0G02070137
    Oil Strainer
    Part Number: 0G02070137
      No Longer Available
  • 13
    Hex Nut Lock – Part Number: 0G02070136
    Hex Nut Lock
    Part Number: 0G02070136
      No Longer Available
  • 14
    Washer Plain – Part Number: 0J15560183
    Washer Plain
    Part Number: 0J15560183
      No Longer Available
  • 15
    Flange Bolt – Part Number: 0G02070135
    Flange Bolt
    Part Number: 0G02070135
      No Longer Available
  • 16
    Bolt – Part Number: 0G02070118
    Bolt
    Part Number: 0G02070118
      Special Order
    $4.28
  • 17
    Oil Filter 1.6L – Part Number: 0G02070100
    Oil Filter 1.6L
    Part Number: 0G02070100
      On Order
    $29.63
  • 18
    Connector Oil Filter – Part Number: 0G02070127
    Connector Oil Filter
    Part Number: 0G02070127
      Special Order
    $8.06
  • 20
    Tube Dipstick – Part Number: 0J15560185
    Tube Dipstick
    Part Number: 0J15560185
      Special Order
    $34.83
1.5l Gas Engine Timing System
1.5l Gas Engine Timing System Diagram and Parts List for (6959039)(2012) Generac Generator
1.5l Gas Engine Valve Train Assembly
1.5l Gas Engine Valve Train Assembly Diagram and Parts List for (6959039)(2012) Generac Generator
Alternator Common Parts
Alternator Common Parts Diagram and Parts List for (6959039)(2012) Generac Generator
Battery C1 1.6l
Battery C1 1.6l Diagram and Parts List for (6959039)(2012) Generac Generator
Connection Box C1 Cpl
Connection Box C1 Cpl Diagram and Parts List for (6959039)(2012) Generac Generator
Connection Box C1 Cpl
Connection Box C1 Cpl Diagram and Parts List for (6959039)(2012) Generac Generator
Connection Box C1 Cpl
Connection Box C1 Cpl Diagram and Parts List for (6959039)(2012) Generac Generator
Ehaust System1.6l
Ehaust System1.6l Diagram and Parts List for (6959039)(2012) Generac Generator
Ev Battery C1 1.6l
Ev Battery C1 1.6l Diagram and Parts List for (6959039)(2012) Generac Generator
Ev Cooling System 1.5l
Ev Cooling System 1.5l Diagram and Parts List for (6959039)(2012) Generac Generator
Ev Enclosure C1 Cpl
Ev Enclosure C1 Cpl Diagram and Parts List for (6959039)(2012) Generac Generator
Ev Engine Common Parts 1.5l
Ev Engine Common Parts 1.5l Diagram and Parts List for (6959039)(2012) Generac Generator
Ev Exhaust System 1.6l
Ev Exhaust System 1.6l Diagram and Parts List for (6959039)(2012) Generac Generator
Ev Fulesys Ng/Lpv 1.5l
Ev Fulesys Ng/Lpv 1.5l Diagram and Parts List for (6959039)(2012) Generac Generator
Mounting Base 1.6l
Mounting Base 1.6l Diagram and Parts List for (6959039)(2012) Generac Generator