Generac Parts

Generac Generator Replacement Parts For Model 006673-0

We Sell Only Genuine Generac Parts

Popular Parts for 006673-0

Search Within Model

Browse all Parts Search by Area
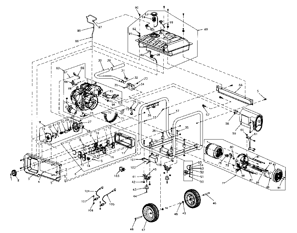
Air cleaner & carburetor Diagram and Parts List for  Generac Generator
Air cleaner & carburetor
Control system Diagram and Parts List for  Generac Generator
Control system
Crankcase Diagram and Parts List for  Generac Generator
Crankcase
Crankcase cover Diagram and Parts List for  Generac Generator
Crankcase cover
Crankshaft & piston Diagram and Parts List for  Generac Generator
Crankshaft & piston
Cylinder head Diagram and Parts List for  Generac Generator
Cylinder head
Flywheel & ignition Diagram and Parts List for  Generac Generator
Flywheel & ignition
Main assy Diagram and Parts List for  Generac Generator
Main assy
Rocker and camshaft Diagram and Parts List for  Generac Generator
Rocker and camshaft
Starter Diagram and Parts List for  Generac Generator
Starter
Starter motor Diagram and Parts List for  Generac Generator
Starter motor
Previous Showing All Parts Next
Air cleaner & carburetor
Air cleaner & carburetor Diagram and Parts List for  Generac Generator
Control system
Control system Diagram and Parts List for  Generac Generator
  • 1
    Control – Part Number: 0G8442G111
    Control
    Part Number: 0G8442G111
      Special Order
    $30.96
  • 2
    Bolt, Flange, 6 X 12 – Part Number: 0G84420194
    Bolt, Flange, 6 X 12
    Part Number: 0G84420194
      On Order
    Minimum Quantity of 2 required
    $6.16
  • 3
    Spring, Governor A – Part Number: 0J00620122
    Spring, Governor A
    Part Number: 0J00620122
      On Order
    $6.16
  • 5
    Rod, Governor – Part Number: 0J39430133
    Rod, Governor
    Part Number: 0J39430133
      In Stock
    $6.16
  • 6
    Nut, Flange – Part Number: 0G84420272
    Nut, Flange
    Part Number: 0G84420272
      Special Order
    $6.16
  • 7
    Bolt, Governor Arm – Part Number: 0G84420197
    Bolt, Governor Arm
    Part Number: 0G84420197
      Special Order
    $6.16
  • 8
    Arm, Governor – Part Number: 0G84420198
    Arm, Governor
    Part Number: 0G84420198
      In Stock
    $12.95
Crankcase
Crankcase Diagram and Parts List for  Generac Generator
Crankcase cover
Crankcase cover Diagram and Parts List for  Generac Generator
Crankshaft & piston
Crankshaft & piston Diagram and Parts List for  Generac Generator
Cylinder head
Cylinder head Diagram and Parts List for  Generac Generator
Flywheel & ignition
Flywheel & ignition Diagram and Parts List for  Generac Generator
Main assy
Main assy Diagram and Parts List for  Generac Generator
Rocker and camshaft
Rocker and camshaft Diagram and Parts List for  Generac Generator
Starter
Starter Diagram and Parts List for  Generac Generator
Starter motor
Starter motor Diagram and Parts List for  Generac Generator