Briggs and Stratton Parts

Briggs and Stratton 3,250 Watt Troy-Bilt Portable Generator Replacement Parts For Model 030346-1

We Sell Only Genuine Briggs and Stratton Parts

Find Briggs and Stratton 030346-1 Parts By Symptom

Will Not Start

100%

Popular Parts for 030346-1

Search Within Model

Questions & Answers for Briggs and Stratton 030346-1
Browse all Parts Search by Area
Page A Diagram and Parts List for  Briggs and Stratton Generator
Page A
Page B Diagram and Parts List for  Briggs and Stratton Generator
Page B
Page C Diagram and Parts List for  Briggs and Stratton Generator
Page C
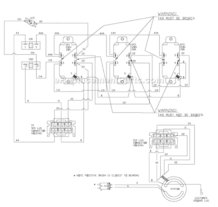
Page D Diagram and Parts List for  Briggs and Stratton Generator
Page D
Page E Diagram and Parts List for  Briggs and Stratton Generator
Page E
Page F Diagram and Parts List for  Briggs and Stratton Generator
Page F
Previous Showing All Parts Next
Page A
Page A Diagram and Parts List for  Briggs and Stratton Generator
Page B
Page B Diagram and Parts List for  Briggs and Stratton Generator
Page C
Page C Diagram and Parts List for  Briggs and Stratton Generator
Page D
Page D Diagram and Parts List for  Briggs and Stratton Generator
Page E
Page E Diagram and Parts List for  Briggs and Stratton Generator
Page F
Page F Diagram and Parts List for  Briggs and Stratton Generator

Questions & Answers

?

Our customer Service team is at the ready daily to answer your part and product questions.

We're sorry, but our Q&A experts are temporarily unavailable.
Please check back later if you still haven't found the answer you need.

Ask our Team

We have a dedicated staff with decades of collective experience in helping customers just like you purchase parts to repair their products.