Kawasaki Parts

Kawasaki - 4 Stroke Engine Replacement Parts For Model FH641V (BS06)

We Sell Only Genuine Kawasaki Parts

Popular Parts for Kawasaki FH641V (BS06)

Search Within Model

Browse all Parts Search by Area
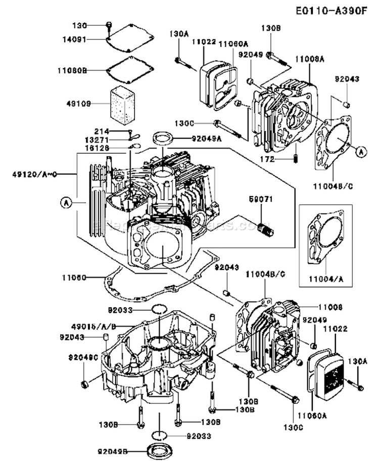
Page A Diagram and Parts List for FH641V BS06 Kawasaki Engine
Page A
Page B Diagram and Parts List for FH641V BS06 Kawasaki Engine
Page B
Page C Diagram and Parts List for FH641V BS06 Kawasaki Engine
Page C
Page D Diagram and Parts List for FH641V BS06 Kawasaki Engine
Page D
Page E Diagram and Parts List for FH641V BS06 Kawasaki Engine
Page E
Page F Diagram and Parts List for FH641V BS06 Kawasaki Engine
Page F
Page G Diagram and Parts List for FH641V BS06 Kawasaki Engine
Page G
Page H Diagram and Parts List for FH641V BS06 Kawasaki Engine
Page H
Page I Diagram and Parts List for FH641V BS06 Kawasaki Engine
Page I
Page J Diagram and Parts List for FH641V BS06 Kawasaki Engine
Page J
Page K Diagram and Parts List for FH641V BS06 Kawasaki Engine
Page K
Page L Diagram and Parts List for FH641V BS06 Kawasaki Engine
Page L
Previous Showing All Parts Next
Page A
Page A Diagram and Parts List for FH641V BS06 Kawasaki Engine
Page B
Page B Diagram and Parts List for FH641V BS06 Kawasaki Engine
Page C
Page C Diagram and Parts List for FH641V BS06 Kawasaki Engine
  • C-130
    Bolt-flanged-6x12 – Part Number: 130BA0612
    Bolt-flanged-6x12
    Part Number: 130BA0612
    ★★★★★
    ★★★★★
    (1)
      In Stock
    Minimum Quantity of 2 required
    $6.16
  • C-214A
    Screw-pan – Part Number: 220AA0412
    Screw-pan
    Part Number: 220AA0412
      No Longer Available
  • C-311
    Nut-hex, 6mm – Part Number: 311AA0600
    Nut-hex, 6mm
    Part Number: 311AA0600
    ★★★★★
    ★★★★★
    (1)
      In Stock
    $6.16
  • C-411
    Washer-plain 6.5 X 13 X 1 – Part Number: 411AA0600
    Washer-plain 6.5 X 13 X 1
    Part Number: 411AA0600
      In Stock
    Minimum Quantity of 2 required
    $6.16
  • C-13271
    Plate – Part Number: 13271-7032
    Plate
    Part Number: 13271-7032
      Special Order
    $6.16
  • C-16171
    Link – Part Number: 16171-7004
    Link
    Part Number: 16171-7004
      No Longer Available
  • C-39129
    Governor Spring – Part Number: 39129-7004
    Governor Spring
    Part Number: 39129-7004
      Special Order
    Minimum Quantity of 2 required
    $7.42
  • C-49103
    Arm-Governor – Part Number: 49103-7004
    Arm-Governor
    Part Number: 49103-7004
      Special Order
    $10.62
  • C-92145
    Spring – Part Number: 92145-2180
    Spring
    Part Number: 92145-2180
      In Stock
    Minimum Quantity of 2 required
    $6.16
  • C-92145A
    Spring – Part Number: 92145-7005
    Spring
    Part Number: 92145-7005
      In Stock
    Minimum Quantity of 2 required
    $6.16
  • C-92150
    Bolt-5x18 – Part Number: 92150-2182
    Bolt-5x18
    Part Number: 92150-2182
      Special Order
    Minimum Quantity of 2 required
    $6.16
  • C-92151
    Bolt-6X30 – Part Number: 92151-7006
    Bolt-6X30
    Part Number: 92151-7006
      No Longer Available
  • C-92170
    Clamp – Part Number: 92170-7001
    Clamp
    Part Number: 92170-7001
      Special Order
    $6.16
Page D
Page D Diagram and Parts List for FH641V BS06 Kawasaki Engine
Page E
Page E Diagram and Parts List for FH641V BS06 Kawasaki Engine
Page F
Page F Diagram and Parts List for FH641V BS06 Kawasaki Engine
Page G
Page G Diagram and Parts List for FH641V BS06 Kawasaki Engine
Page H
Page H Diagram and Parts List for FH641V BS06 Kawasaki Engine
  • H-56033
    Label-manual – Part Number: 56033-1502
    Label-manual
    Part Number: 56033-1502
      Special Order
    $6.16
  • H-56033A
    Label-manual – Part Number: 56033-1502
    Label-manual
    Part Number: 56033-1502
      Special Order
    $6.16
  • H-56080
    LABEL-BRAND – Part Number: 56080-0738
    LABEL-BRAND
    Part Number: 56080-0738
      On Order
    $6.16
Page I
Page I Diagram and Parts List for FH641V BS06 Kawasaki Engine
  • I-130
    Bolt-flanged-6x12 – Part Number: 130BA0612
    Bolt-flanged-6x12
    Part Number: 130BA0612
    ★★★★★
    ★★★★★
    (1)
      In Stock
    Minimum Quantity of 2 required
    $6.16
  • I-670
    O-ring – Part Number: 670D2016
    O-ring
    Part Number: 670D2016
    ★★★★★
    ★★★★★
    (1)
      In Stock
    Minimum Quantity of 2 required
    $6.16
  • I-13107A
    Shaft – Part Number: 13107-1554
    Shaft
    Part Number: 13107-1554
      Special Order
    $6.16
  • I-13271
    Plate – Part Number: 13271-7005
    Plate
    Part Number: 13271-7005
      Special Order
    $6.16
  • I-49065A
    Filter-oil – Part Number: 49065-7003
    Filter-oil
    Part Number: 49065-7003
      In Stock
    $6.16
  • I-59051
    Gear-Spur – Part Number: 590516001
    Gear-Spur
    Part Number: 590516001
      Special Order
    $63.04
  • I-59071
    Joint – Part Number: 59071-7003
    Joint
    Part Number: 59071-7003
      No Longer Available
  • I-59231
    Filler – Part Number: 59231-7006
    Filler
    Part Number: 59231-7006
      In Stock
    $10.24
  • I-92043
    Pin – Part Number: 92043-7003
    Pin
    Part Number: 92043-7003
      No Longer Available
  • I-92066
    Plug – Part Number: 92066-0774
    Plug
    Part Number: 92066-0774
      In Stock
    $7.31
  • I-92140
    Ball – Part Number: 92140-7003
    Ball
    Part Number: 92140-7003
      In Stock
    $6.16
  • I-92145
    Spring – Part Number: 92145-7002
    Spring
    Part Number: 92145-7002
      No Longer Available
  • I-92151
    Oil Filter – Part Number: 49065-0734BK
    Oil Filter
    Part Number: 49065-0734BK
      Special Order
    $25.26
Page J
Page J Diagram and Parts List for FH641V BS06 Kawasaki Engine
  • J-13001A
    Piston-Engine – Part Number: 13001-7007
    Piston-Engine
    Part Number: 13001-7007
      Special Order
    $50.81
  • J-13002
    Pin-Piston – Part Number: 13002-7001
    Pin-Piston
    Part Number: 13002-7001
      Special Order
    Minimum Quantity of 2 required
    $6.49
  • J-13008
    Ring-set-piston – Part Number: 13008-6058
    Ring-set-piston
    Part Number: 13008-6058
      In Stock
    $92.39
  • J-92002
    Bolt – Part Number: 92002-2053
    Bolt
    Part Number: 92002-2053
      In Stock
    $8.99
  • J-92033
    Ring-snap – Part Number: 92033-7005
    Ring-snap
    Part Number: 92033-7005
      Special Order
    $6.16
Page K
Page K Diagram and Parts List for FH641V BS06 Kawasaki Engine
  • K-317
    Nut-hex-small, 8mm – Part Number: 317AA0800
    Nut-hex-small, 8mm
    Part Number: 317AA0800
      Special Order
    $6.16
  • K-461
    Washer-spring,8mm – Part Number: 461DA0800
    Washer-spring,8mm
    Part Number: 461DA0800
      Special Order
    $6.16
  • K-13081
    Clutch-assy – Part Number: 13081-2227
    Clutch-assy
    Part Number: 13081-2227
      Special Order
    $122.47
  • K-13091
    Holder-Brush – Part Number: 13091-2068
    Holder-Brush
    Part Number: 13091-2068
      Special Order
    $35.69
  • K-16073
    Insulator – Part Number: 16073-2098
    Insulator
    Part Number: 16073-2098
      Special Order
    $14.12
  • K-16146
    Cover-Assembly – Part Number: 16146-2215
    Cover-Assembly
    Part Number: 16146-2215
      Special Order
    $96.32
  • K-16146A
    Cover-Assembly – Part Number: 16146-2216
    Cover-Assembly
    Part Number: 16146-2216
      Special Order
    $86.69
  • K-21039
    Brush – Part Number: 21039-2059
    Brush
    Part Number: 21039-2059
      Special Order
    $19.97
  • K-21040
    Spring-Brush – Part Number: 21040-2052
    Spring-Brush
    Part Number: 21040-2052
      Special Order
    $6.16
  • K-21080
    Armature – Part Number: 21080-2058
    Armature
    Part Number: 21080-2058
      Special Order
    $288.20
  • K-21163
    Electric Starter – Part Number: 21163-7026
    Electric Starter
    Part Number: 21163-7026
      No Longer Available
  • K-32085
    Stopper – Part Number: 32085-2097
    Stopper
    Part Number: 32085-2097
      Special Order
    $21.82
  • K-92002
    Bolt-8X83 – Part Number: 92002-1794
    Bolt-8X83
    Part Number: 92002-1794
      In Stock
    $7.77
  • K-92002A
    Bolt – Part Number: 92002-2277
    Bolt
    Part Number: 92002-2277
      Special Order
    $18.05
  • K-92015
    Nut – Part Number: 92015-2146
    Nut
    Part Number: 92015-2146
      Special Order
    $6.16
  • K-92015A
    Nut – Part Number: 92015-2147
    Nut
    Part Number: 92015-2147
      In Stock
    $10.34
  • K-92033
    Ring-Snap – Part Number: 92033-2081
    Ring-Snap
    Part Number: 92033-2081
      Special Order
    $8.91
Page L
Page L Diagram and Parts List for FH641V BS06 Kawasaki Engine
  • L-12004
    Valve-intake – Part Number: 12004-7002
    Valve-intake
    Part Number: 12004-7002
      In Stock
    $26.17
  • L-12005
    Valve-exhaust – Part Number: 12005-7004
    Valve-exhaust
    Part Number: 12005-7004
      In Stock
    $55.19
  • L-12009
    Retainer-valve Spring – Part Number: 12009-7001
    Retainer-valve Spring
    Part Number: 12009-7001
      Special Order
    Minimum Quantity of 2 required
    $6.16
  • L-12011
    Collet – Part Number: 12011-2056
    Collet
    Part Number: 12011-2056
      In Stock
    $6.55
  • L-12016A
    Arm-rocker – Part Number: 12016-7007
    Arm-rocker
    Part Number: 12016-7007
      In Stock
    $11.21
  • L-12032
    Tappet – Part Number: 12032-7001
    Tappet
    Part Number: 12032-7001
      In Stock
    $12.49
  • L-13070A
    Guide – Part Number: 13070-7007
    Guide
    Part Number: 13070-7007
    ★★★★★
    ★★★★★
    (1)
      In Stock
    $6.65
  • L-13070B
    Guide – Part Number: 13070-7004
    Guide
    Part Number: 13070-7004
      In Stock
    $8.14
  • L-13070D
    Guide – Part Number: 13070-7007
    Guide
    Part Number: 13070-7007
    ★★★★★
    ★★★★★
    (1)
      In Stock
    $6.65
  • L-13116
    Push Rod – Part Number: 13116-7002
    Push Rod
    Part Number: 13116-7002
    ★★★★★
    ★★★★★
    (1)
      In Stock
    $6.35
  • L-13270
    Plate-Governor – Part Number: 13271-7021
    Plate-Governor
    Part Number: 13271-7021
      Special Order
    $7.56
  • L-13271
    Plate – Part Number: 13271-7007
    Plate
    Part Number: 13271-7007
      In Stock
    $7.02
  • L-42036
    Sleeve – Part Number: 42036-7010
    Sleeve
    Part Number: 42036-7010
      Special Order
    $7.75
  • L-49078
    Spring-engine Valve-in – Part Number: 49078-7002
    Spring-engine Valve-in
    Part Number: 49078-7002
      In Stock
    $9.34
  • L-49118A
    Camshaft-Comp – Part Number: 99999-7074
    Camshaft-Comp
    Part Number: 99999-7074
      Special Order
    $117.12
  • L-92009
    Screw – Part Number: 92009-2341
    Screw
    Part Number: 92009-2341
      In Stock
    Minimum Quantity of 2 required
    $6.16
  • L-92033
    Ring-Snap – Part Number: 92033-0727
    Ring-Snap
    Part Number: 92033-0727
      No Longer Available
  • L-92140
    Ball – Part Number: 92140-7005
    Ball
    Part Number: 92140-7005
      No Longer Available
  • L-92145
    Spring – Part Number: 92145-1653
    Spring
    Part Number: 92145-1653
      In Stock
    Minimum Quantity of 2 required
    $6.16
  • L-92200
    Washer – Part Number: 92200-7001
    Washer
    Part Number: 92200-7001
      In Stock
    Minimum Quantity of 2 required
    $6.16