Our customer service team are at the ready daily to answer your part and product questions. We have a dedicated staff with decades of collective experience in helping customers just like you purchase parts to repair their products.
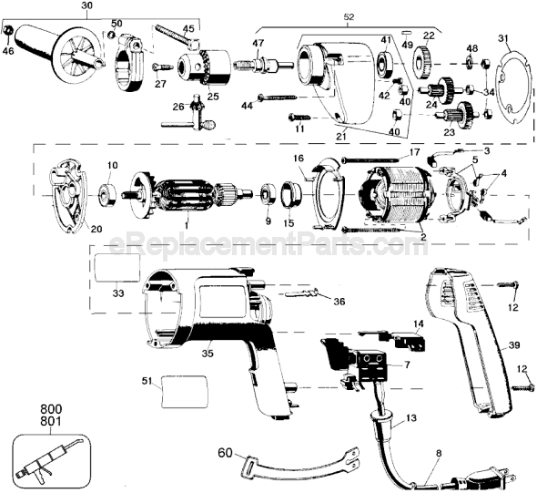
DeWALT 1/2 Electric Drill Replacement Parts For Model DW110 (Type 2)
We Sell Only Genuine DeWALT Parts
Popular Parts for DW110
In Stock
$27.42
In Stock
Minimum Quantity of 2 required
$6.16
On Order
Minimum Quantity of 2 required
$6.16
In Stock
$14.92
In Stock
$6.16
In Stock
$10.69
On Order
Minimum Quantity of 2 required
$6.16
In Stock
$7.43
Search Within Model
Browse all Parts
Search by Area
Previous
Showing All Parts
Next
Page A
✖
✖