Craftsman Parts

Craftsman 15 Inch Drill Press Replacement Parts For Model 113213850

We Sell Only Genuine Craftsman Parts

Popular Parts for 113213850

Search Within Model

Browse all Parts Search by Area
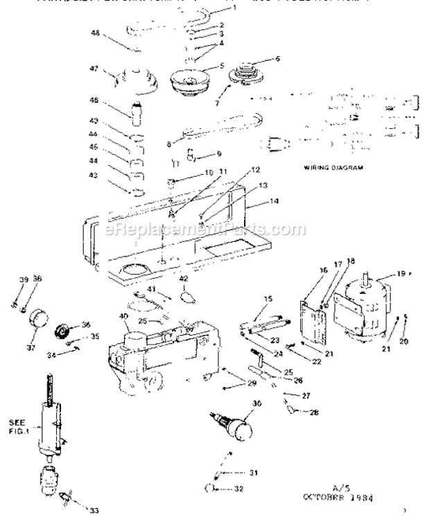
Page A Diagram and Parts List for  Craftsman Drill Press
Page A
Page B Diagram and Parts List for  Craftsman Drill Press
Page B
Page C Diagram and Parts List for  Craftsman Drill Press
Page C
Page D Diagram and Parts List for  Craftsman Drill Press
Page D
Previous Showing All Parts Next
Page A
Page A Diagram and Parts List for  Craftsman Drill Press
Page B
Page B Diagram and Parts List for  Craftsman Drill Press
  • B-1
    Screw 8Pk – Part Number: STD510807
    Screw 8Pk
    Part Number: STD510807
      No Longer Available
  • B-4
    Screw 8Pk – Part Number: STD511103
    Screw 8Pk
    Part Number: STD511103
      No Longer Available
  • B-9
    Panel Screw – Part Number: STD511105
    Panel Screw
    Part Number: STD511105
      No Longer Available
  • B-10
    Screw – Part Number: 133423
    Screw
    Part Number: 133423
      No Longer Available
  • B-12
    Lckng Switch – Part Number: 62442
    Lckng Switch
    Part Number: 62442
      No Longer Available
  • B-14
    Switch Keys – Part Number: 22255
    Switch Keys
    Part Number: 22255
      No Longer Available
  • B-16
    Screw 8Pk – Part Number: STD511002
    Screw 8Pk
    Part Number: STD511002
      No Longer Available
  • B-17
    Washer 8Pk – Part Number: STD551210
    Washer 8Pk
    Part Number: STD551210
      No Longer Available
  • B-19
    Machine Screw, 8-pack – Part Number: STD510803
    Machine Screw, 8-pack
    Part Number: STD510803
      No Longer Available
Page C
Page C Diagram and Parts List for  Craftsman Drill Press
  • C-3
    Screw 5Pk – Part Number: STD502503
    Screw 5Pk
    Part Number: STD502503
      No Longer Available
  • C-5
    Rack – Part Number: 817351
    Rack
    Part Number: 817351
      No Longer Available
  • C-7
    Washer, Lock 3/8 – Part Number: STD551137
    Washer, Lock 3/8
    Part Number: STD551137
      No Longer Available
  • C-8
    Bushing – Part Number: 16152.00
    Bushing
    Part Number: 16152.00
      No Longer Available
  • C-9
    Crank Handle – Part Number: 71327-1
    Crank Handle
    Part Number: 71327-1
      No Longer Available
  • C-10
    Crank Handle – Part Number: 71327-1
    Crank Handle
    Part Number: 71327-1
      No Longer Available
  • C-11
    Hex Nut – Part Number: STD840610
    Hex Nut
    Part Number: STD840610
      No Longer Available
  • C-12
    Crank Handle – Part Number: 71327-1
    Crank Handle
    Part Number: 71327-1
      No Longer Available
  • C-15
    SCREW,SET – Part Number: 71373
    SCREW,SET
    Part Number: 71373
      Special Order
    $23.91
  • C-18
    Nut 2Pk – Part Number: STD541062
    Nut 2Pk
    Part Number: STD541062
      No Longer Available
  • C-19
    Washer 5Pk – Part Number: STD551062
    Washer 5Pk
    Part Number: STD551062
      No Longer Available
  • C-22
    Screw 8Pk – Part Number: STD511103
    Screw 8Pk
    Part Number: STD511103
      No Longer Available
  • C-23
    BASE, SF2000 – Part Number: 71312
    BASE, SF2000
    Part Number: 71312
      Special Order
    $117.10
  • C-25
    5/32 Hex Key – Part Number: 28136
    5/32 Hex Key
    Part Number: 28136
      No Longer Available
  • C-26
    5/32 Hex Key – Part Number: 28136
    5/32 Hex Key
    Part Number: 28136
      No Longer Available
Page D
Page D Diagram and Parts List for  Craftsman Drill Press
  • D-1
    Ring 5Pk – Part Number: STD582066
    Ring 5Pk
    Part Number: STD582066
      No Longer Available
  • D-2
    203 Brg – Part Number: STD315235
    203 Brg
    Part Number: STD315235
      No Longer Available
  • D-3
    Valve Shutoff 90-deg – Part Number: 71384
    Valve Shutoff 90-deg
    Part Number: 71384
      Special Order
    $1820.92
  • D-5
    Bearing – Part Number: STD315255
    Bearing
    Part Number: STD315255
      No Longer Available
  • D-6
    X CNTL PNL ASSY – Part Number: 71374
    X CNTL PNL ASSY
    Part Number: 71374
      Special Order
    $446.85
  • D-7
    KEYPAD,DVDPAK – Part Number: 38623
    KEYPAD,DVDPAK
    Part Number: 38623
      Special Order
    $179.84
  • D-8
    Nut 5Pk – Part Number: STD541150
    Nut 5Pk
    Part Number: STD541150
      No Longer Available
  • D-9
    Screw, Hex Head 1/4-20 x 1-1/4 – Part Number: STD522512
    Screw, Hex Head 1/4-20 x 1-1/4
    Part Number: STD522512
      No Longer Available
  • D-10
    DECAL-TERM STRP MERV – Part Number: 71321
    DECAL-TERM STRP MERV
    Part Number: 71321
      No Longer Available
  • D-11
    Nut 8Pk – Part Number: STD541025
    Nut 8Pk
    Part Number: STD541025
      No Longer Available
  • D-12
    Washer – Part Number: 817314
    Washer
    Part Number: 817314
      No Longer Available
  • D-13
    Nut 5Pk – Part Number: STD541350
    Nut 5Pk
    Part Number: STD541350
      No Longer Available
  • D-14
    Stop Rod – Part Number: 71366
    Stop Rod
    Part Number: 71366
      No Longer Available
  • D-15
    Indicator – Part Number: 71263
    Indicator
    Part Number: 71263
      No Longer Available