KitchenAid Parts

KitchenAid Dishwasher Replacement Parts For Model KUDK03ITBS2

We Sell Only Genuine KitchenAid Parts

Find KitchenAid KUDK03ITBS2 Parts By Symptom

Not cleaning dishes properly

25%

Leaking

24%

Door latch failure

17%

Will Not Start

9%

Not draining

8%

Noisy

6%

Door won’t close

4%

Not drying dishes properly

3%

Will not fill with water

2%

Will not dispense detergent

2%

Popular Parts for KUDK03ITBS2

Search Within Model

Browse all Parts Search by Area
CONTROL PANEL PARTS Diagram and Parts List for  KitchenAid Dishwasher
CONTROL PANEL PARTS
DOOR AND LATCH PARTS Diagram and Parts List for  KitchenAid Dishwasher
DOOR AND LATCH PARTS
DOOR AND PANEL PARTS Diagram and Parts List for  KitchenAid Dishwasher
DOOR AND PANEL PARTS
FILL AND OVERFILL PARTS Diagram and Parts List for  KitchenAid Dishwasher
FILL AND OVERFILL PARTS
HEATER PARTS Diagram and Parts List for  KitchenAid Dishwasher
HEATER PARTS
LOWER RACK PARTS, OPTIONAL PARTS (NOT INCLUDED) Diagram and Parts List for  KitchenAid Dishwasher
LOWER RACK PARTS, OPTIONAL PARTS (NOT INCLUDED)
LOWER WASHARM AND STRAINER PARTS Diagram and Parts List for  KitchenAid Dishwasher
LOWER WASHARM AND STRAINER PARTS
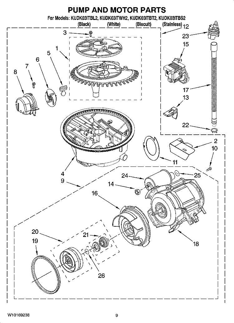
PUMP AND MOTOR PARTS Diagram and Parts List for  KitchenAid Dishwasher
PUMP AND MOTOR PARTS
TUB AND FRAME PARTS Diagram and Parts List for  KitchenAid Dishwasher
TUB AND FRAME PARTS
UPPER RACK AND TRACK PARTS Diagram and Parts List for  KitchenAid Dishwasher
UPPER RACK AND TRACK PARTS
UPPER WASH AND RINSE PARTS Diagram and Parts List for  KitchenAid Dishwasher
UPPER WASH AND RINSE PARTS
Previous Showing All Parts Next
CONTROL PANEL PARTS
CONTROL PANEL PARTS Diagram and Parts List for  KitchenAid Dishwasher
DOOR AND LATCH PARTS
DOOR AND LATCH PARTS Diagram and Parts List for  KitchenAid Dishwasher
DOOR AND PANEL PARTS
DOOR AND PANEL PARTS Diagram and Parts List for  KitchenAid Dishwasher
FILL AND OVERFILL PARTS
FILL AND OVERFILL PARTS Diagram and Parts List for  KitchenAid Dishwasher
HEATER PARTS
HEATER PARTS Diagram and Parts List for  KitchenAid Dishwasher
LOWER RACK PARTS, OPTIONAL PARTS (NOT INCLUDED)
LOWER RACK PARTS, OPTIONAL PARTS (NOT INCLUDED) Diagram and Parts List for  KitchenAid Dishwasher
LOWER WASHARM AND STRAINER PARTS
LOWER WASHARM AND STRAINER PARTS Diagram and Parts List for  KitchenAid Dishwasher
PUMP AND MOTOR PARTS
PUMP AND MOTOR PARTS Diagram and Parts List for  KitchenAid Dishwasher
TUB AND FRAME PARTS
TUB AND FRAME PARTS Diagram and Parts List for  KitchenAid Dishwasher
UPPER RACK AND TRACK PARTS
UPPER RACK AND TRACK PARTS Diagram and Parts List for  KitchenAid Dishwasher
UPPER WASH AND RINSE PARTS
UPPER WASH AND RINSE PARTS Diagram and Parts List for  KitchenAid Dishwasher