Bosch Parts

Bosch (060139) Circular Saw Replacement Parts For Model 1655 (0601655139)

Bosch Parts We Sell Only Genuine Bosch Parts

Popular Parts for 1655

Search Within Model

Questions & Answers for Bosch 1655
Browse all Parts Search by Area
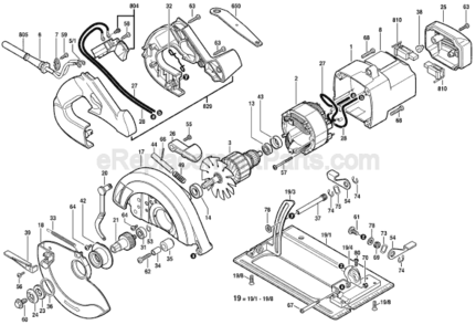
Page A Diagram and Parts List for 0601655139 Bosch Circular Saw
Page A
Previous Showing All Parts Next
Page A
Page A Diagram and Parts List for 0601655139 Bosch Circular Saw
  • 1
    Motor Housing – Part Number: 2610903196
    Motor Housing
    Part Number: 2610903196
      No Longer Available
  • 2
    FIELD – Part Number: 1619P01570
    FIELD
    Part Number: 1619P01570
      Special Order
    $39.62
  • 3
    ARMATURE WITH FAN – Part Number: 2610908397
    ARMATURE WITH FAN
    Part Number: 2610908397
      Special Order
    $111.47
  • 5/1
    Terminal – Part Number: 4931024005
    Terminal
    Part Number: 4931024005
      No Longer Available
  • 6
    Grommet – Part Number: 2610993188
    Grommet
    Part Number: 2610993188
      No Longer Available
  • 7
    Cable Clip – Part Number: 2610993191
    Cable Clip
    Part Number: 2610993191
      Special Order
    $6.16
  • 8
    Nameplate – Part Number: 2610995481
    Nameplate
    Part Number: 2610995481
      No Longer Available
  • 13
    BALL BEARING – Part Number: 2610017348
    BALL BEARING
    Part Number: 2610017348
      Special Order
    $6.16
  • 14
    BALL BEARING – Part Number: 2610350311
    BALL BEARING
    Part Number: 2610350311
      Special Order
    $27.14
  • 17
    Protective Cover – Part Number: 2610905040
    Protective Cover
    Part Number: 2610905040
      No Longer Available
  • 18
    LOWER GUARD – Part Number: 2610346580
    LOWER GUARD
    Part Number: 2610346580
      Special Order
    $69.20
  • 19
    Base Plate – Part Number: 2610905036
    Base Plate
    Part Number: 2610905036
      No Longer Available
  • 19/1
    FOOT PLATE SO – Part Number: 2610352094
    FOOT PLATE SO
    Part Number: 2610352094
      Special Order
    $94.08
  • 19/3
    Depth-Gauge – Part Number: 2610904152
    Depth-Gauge
    Part Number: 2610904152
      No Longer Available
  • 19/4
    Guide Bracket – Part Number: 2610904150
    Guide Bracket
    Part Number: 2610904150
      Special Order
    $33.68
  • 19/8
    Sheet Metal Screw – Part Number: 2610352119
    Sheet Metal Screw
    Part Number: 2610352119
      No Longer Available
  • 20
    Swiveling Lever – Part Number: 2610354607
    Swiveling Lever
    Part Number: 2610354607
      Special Order
    $16.58
  • 21
    Shaft With Gear – Part Number: 2610355586
    Shaft With Gear
    Part Number: 2610355586
      No Longer Available
  • 23
    Flange – Part Number: 2610350668
    Flange
    Part Number: 2610350668
      No Longer Available
  • 24
    OUTER WASHER – Part Number: 1619X00934
    OUTER WASHER
    Part Number: 1619X00934
      Special Order
    $7.36
  • 25
    Locking Cover – Part Number: 2610350656
    Locking Cover
    Part Number: 2610350656
      No Longer Available
  • 26
    Locking Cover – Part Number: 2610350656
    Locking Cover
    Part Number: 2610350656
      No Longer Available
  • 27
    CABLE – Part Number: 2610038934
    CABLE
    Part Number: 2610038934
      Special Order
    $6.16
  • 28
    CABLE – Part Number: 2610038935
    CABLE
    Part Number: 2610038935
      Special Order
    $6.16
  • 31
    BALL BEARING – Part Number: 1619P01511
    BALL BEARING
    Part Number: 1619P01511
    ★★★★★
    ★★★★★
    (1)
      Special Order
    $8.50
  • 32
    Clamp – Part Number: 2610350663
    Clamp
    Part Number: 2610350663
      Special Order
    $6.16
  • 33
    GUARD SPRING – Part Number: 2610347486
    GUARD SPRING
    Part Number: 2610347486
      In Stock
    $6.16
  • 34
    Spacer Bolt – Part Number: 2610341366
    Spacer Bolt
    Part Number: 2610341366
      No Longer Available
  • 35
    GUARD STOP – Part Number: 2610341394
    GUARD STOP
    Part Number: 2610341394
      Special Order
    $6.16
  • 36
    RETAINING RING – Part Number: 2610341359
    RETAINING RING
    Part Number: 2610341359
      Special Order
    Minimum Quantity of 2 required
    $6.16
  • 37
    Motor Housing – Part Number: 2610904102
    Motor Housing
    Part Number: 2610904102
      No Longer Available
  • 38
    BUMPER – Part Number: 2610350655
    BUMPER
    Part Number: 2610350655
      Special Order
    $6.16
  • 39
    Lever – Part Number: 2610351898
    Lever
    Part Number: 2610351898
      No Longer Available
  • 42
    BEARING PLATE ASSEMBLY – Part Number: 2610350678
    BEARING PLATE ASSEMBLY
    Part Number: 2610350678
      Special Order
    $31.58
  • 43
    BEARING SLEEVE – Part Number: 1619P01127
    BEARING SLEEVE
    Part Number: 1619P01127
      Special Order
    $6.16
  • 44
    LOCK PIN – Part Number: 2610351295
    LOCK PIN
    Part Number: 2610351295
      Special Order
    $14.94
  • 49
    Spring – Part Number: 2610350667
    Spring
    Part Number: 2610350667
      Special Order
    $6.16
  • 53
    RETAINING RING – Part Number: 2610350683
    RETAINING RING
    Part Number: 2610350683
      Special Order
    $6.16
  • 54
    LEVER-LOCK-SO – Part Number: 2610901987
    LEVER-LOCK-SO
    Part Number: 2610901987
      Special Order
    $6.16
  • 55
    Screw – Part Number: 2610354611
    Screw
    Part Number: 2610354611
      No Longer Available
  • 56
    SCREW – Part Number: 1619X06749
    SCREW
    Part Number: 1619X06749
      In Stock
    $6.16
  • 57
    SCREW – Part Number: 1619P01508
    SCREW
    Part Number: 1619P01508
      Special Order
    $6.16
  • 58
    SCREW – Part Number: 2610901971
    SCREW
    Part Number: 2610901971
      Special Order
    $6.16
  • 59
    SCREW (RTM710) – Part Number: 2610326578
    SCREW (RTM710)
    Part Number: 2610326578
      Special Order
    $6.16
  • 60
    BLADE BOLT – Part Number: 1619X00935
    BLADE BOLT
    Part Number: 1619X00935
    ★★★★★
    ★★★★★
    (4)
      In Stock
    Minimum Quantity of 2 required
    $6.16
  • 61
    Bolt – Part Number: 2610905039
    Bolt
    Part Number: 2610905039
      No Longer Available
  • 62
    CHEESE HEAD SCREW – Part Number: 2610347100
    CHEESE HEAD SCREW
    Part Number: 2610347100
      In Stock
    Minimum Quantity of 2 required
    $6.16
  • 63
    SCREW – Part Number: 1619P01505
    SCREW
    Part Number: 1619P01505
      In Stock
    $6.16
  • 64
    SCREW – Part Number: 1619X01786
    SCREW
    Part Number: 1619X01786
      Special Order
    $6.16
  • 66
    ROLL PIN – Part Number: 2610020656
    ROLL PIN
    Part Number: 2610020656
      Special Order
    $6.16
  • 67
    Clamp Screw – Part Number: 2610909129
    Clamp Screw
    Part Number: 2610909129
      No Longer Available
  • 68
    Screw – Part Number: 2610341335
    Screw
    Part Number: 2610341335
      No Longer Available
  • 69
    NUT-SO – Part Number: 2610901988
    NUT-SO
    Part Number: 2610901988
      Special Order
    $6.16
  • 70
    LOCK NUT – Part Number: 2610904165
    LOCK NUT
    Part Number: 2610904165
      Special Order
    $6.16
  • 73
    SPRING WASHER – Part Number: 2610069183
    SPRING WASHER
    Part Number: 2610069183
      Special Order
    $6.16
  • 74
    CIRCLIP – Part Number: 2610341354
    CIRCLIP
    Part Number: 2610341354
      Special Order
    $6.16
  • 75
    WASHER-SO – Part Number: 2610313808
    WASHER-SO
    Part Number: 2610313808
      Special Order
    $6.16
  • 78
    WASHER – Part Number: 1619X00942
    WASHER
    Part Number: 1619X00942
      Special Order
    $6.16
  • 80
    Screw – Part Number: 1619P01534
    Screw
    Part Number: 1619P01534
      No Longer Available
  • 650
    BLADE WRENCH – Part Number: 2610351201
    BLADE WRENCH
    Part Number: 2610351201
      Special Order
    $21.96
  • 804
    On-Off Trigger Switch – Part Number: 3132421046
    On-Off Trigger Switch
    Part Number: 3132421046
      No Longer Available
  • 805
    POWER CORD – Part Number: 3604460515
    POWER CORD
    Part Number: 3604460515
    ★★★★★
    ★★★★★
    (1)
      In Stock
    $39.61
  • 810
    Brush Holder – Part Number: 2610355594
    Brush Holder
    Part Number: 2610355594
      No Longer Available
  • 829
    Handle – Part Number: 2610904144
    Handle
    Part Number: 2610904144
      No Longer Available

Questions & Answers

?

Our customer Service team is at the ready daily to answer your part and product questions.

We're sorry, but our Q&A experts are temporarily unavailable.
Please check back later if you still haven't found the answer you need.

Ask our Team

We have a dedicated staff with decades of collective experience in helping customers just like you purchase parts to repair their products.