Craftsman Parts

Craftsman 10-Inch Radial Saw Chop Saw Replacement Parts For Model 113198310

We Sell Only Genuine Craftsman Parts

Popular Parts for 113198310

Search Within Model

Browse all Parts Search by Area
Page A Diagram and Parts List for  Craftsman Chop Saw
Page A
Page B Diagram and Parts List for  Craftsman Chop Saw
Page B
Page C Diagram and Parts List for  Craftsman Chop Saw
Page C
Page D Diagram and Parts List for  Craftsman Chop Saw
Page D
Page E Diagram and Parts List for  Craftsman Chop Saw
Page E
Page F Diagram and Parts List for  Craftsman Chop Saw
Page F
Page G Diagram and Parts List for  Craftsman Chop Saw
Page G
Page H Diagram and Parts List for  Craftsman Chop Saw
Page H
Page I Diagram and Parts List for  Craftsman Chop Saw
Page I
Page J Diagram and Parts List for  Craftsman Chop Saw
Page J
Page K Diagram and Parts List for  Craftsman Chop Saw
Page K
Previous Showing All Parts Next
Page A
Page A Diagram and Parts List for  Craftsman Chop Saw
  • A-1
    Screw 8Pk – Part Number: STD601103
    Screw 8Pk
    Part Number: STD601103
      No Longer Available
  • A-2
    Fan Washer – Part Number: STD551010
    Fan Washer
    Part Number: STD551010
      No Longer Available
  • A-3
    Hex Screw – Part Number: 815857-1
    Hex Screw
    Part Number: 815857-1
      No Longer Available
  • A-6
    Screw 8Pk – Part Number: STD601105
    Screw 8Pk
    Part Number: STD601105
      No Longer Available
  • A-10
    Screw – Part Number: 806828-4
    Screw
    Part Number: 806828-4
      No Longer Available
  • A-11
    Washer 8Pk – Part Number: STD551025
    Washer 8Pk
    Part Number: STD551025
      No Longer Available
  • A-12
    Pan Hd – Part Number: 815797
    Pan Hd
    Part Number: 815797
      No Longer Available
  • A-13
    Hex Screw – Part Number: 141594-31
    Hex Screw
    Part Number: 141594-31
      No Longer Available
  • A-14
    Oil Pump Gear Retaining Ring – Part Number: 37384
    Oil Pump Gear Retaining Ring
    Part Number: 37384
      Special Order
    $6.16
  • A-15
    Bshng Rubber – Part Number: 815762
    Bshng Rubber
    Part Number: 815762
      No Longer Available
  • A-16
    Clip U – Part Number: 815989
    Clip U
    Part Number: 815989
      No Longer Available
  • A-17
    Carriage Bolt – Part Number: STD532512
    Carriage Bolt
    Part Number: STD532512
      No Longer Available
  • A-18
    Eccentric – Part Number: 815834
    Eccentric
    Part Number: 815834
      No Longer Available
  • A-19
    Washer 8Pk – Part Number: STD551225
    Washer 8Pk
    Part Number: STD551225
      No Longer Available
  • A-20
    Nut 8Pk – Part Number: STD541025
    Nut 8Pk
    Part Number: STD541025
      No Longer Available
  • A-22
    Screw – Part Number: STD522506
    Screw
    Part Number: STD522506
      No Longer Available
  • A-23
    Flat Washer – Part Number: STD551012
    Flat Washer
    Part Number: STD551012
      No Longer Available
  • A-24
    1/4-20 Hex Lock Nut – Part Number: STD541425
    1/4-20 Hex Lock Nut
    Part Number: STD541425
      No Longer Available
  • A-26
    Pan Hd – Part Number: 815797
    Pan Hd
    Part Number: 815797
      No Longer Available
  • A-27
    Washer 8Pk – Part Number: STD551025
    Washer 8Pk
    Part Number: STD551025
      No Longer Available
  • A-31
    Screw – Part Number: 815856-1
    Screw
    Part Number: 815856-1
      No Longer Available
  • A-33
    Nut Push – Part Number: 60208-D
    Nut Push
    Part Number: 60208-D
      No Longer Available
  • A-34
    Rivet – Part Number: 815774
    Rivet
    Part Number: 815774
      No Longer Available
  • A-36
    Bracket, Pivot – Part Number: 815764
    Bracket, Pivot
    Part Number: 815764
      No Longer Available
  • A-37
    Bushing – Part Number: 802279-8
    Bushing
    Part Number: 802279-8
      No Longer Available
  • A-38
    Ring 2Pk – Part Number: STD588025
    Ring 2Pk
    Part Number: STD588025
      No Longer Available
  • A-39
    Pin – Part Number: 62410
    Pin
    Part Number: 62410
      No Longer Available
  • A-41
    Screw 8Pk – Part Number: STD611010
    Screw 8Pk
    Part Number: STD611010
      No Longer Available
  • A-42
    Screw 8Pk – Part Number: STD601103
    Screw 8Pk
    Part Number: STD601103
      No Longer Available
  • A-49
    Screw – Part Number: 815935
    Screw
    Part Number: 815935
      No Longer Available
  • A-50
    Screw – Part Number: STD522506
    Screw
    Part Number: STD522506
      No Longer Available
Page B
Page B Diagram and Parts List for  Craftsman Chop Saw
  • B-1
    Hex Screw – Part Number: 815857-1
    Hex Screw
    Part Number: 815857-1
      No Longer Available
  • B-3
    Hex Screw – Part Number: 141594-31
    Hex Screw
    Part Number: 141594-31
      No Longer Available
  • B-4
    Rivet – Part Number: 815774
    Rivet
    Part Number: 815774
      No Longer Available
  • B-5
    Lock Assembly – Part Number: 815702
    Lock Assembly
    Part Number: 815702
      No Longer Available
  • B-6
    Nut Push – Part Number: 60208-D
    Nut Push
    Part Number: 60208-D
      No Longer Available
  • B-8
    Screw – Part Number: 815992-1
    Screw
    Part Number: 815992-1
      No Longer Available
  • B-9
    Tube – Part Number: 815672
    Tube
    Part Number: 815672
      No Longer Available
  • B-12
    Tube – Part Number: 815770
    Tube
    Part Number: 815770
      No Longer Available
  • B-13
    Screw – Part Number: 817149
    Screw
    Part Number: 817149
      No Longer Available
  • B-15
    E Ring – Part Number: STD581043
    E Ring
    Part Number: STD581043
      No Longer Available
  • B-16
    Washrthrust – Part Number: 63500
    Washrthrust
    Part Number: 63500
      No Longer Available
  • B-19
    Screw 5Pk – Part Number: STD523107
    Screw 5Pk
    Part Number: STD523107
      No Longer Available
  • B-21
    Snap Rng Ext – Part Number: STD582050
    Snap Rng Ext
    Part Number: STD582050
      No Longer Available
  • B-23
    Panel Screw – Part Number: STD511105
    Panel Screw
    Part Number: STD511105
      No Longer Available
  • B-24
    Washer 8Pk – Part Number: STD551210
    Washer 8Pk
    Part Number: STD551210
      No Longer Available
  • B-25
    Hnd Whl Asm. – Part Number: 816499
    Hnd Whl Asm.
    Part Number: 816499
      No Longer Available
  • B-26
    Ring 2Pk – Part Number: STD592050
    Ring 2Pk
    Part Number: STD592050
      No Longer Available
  • B-27
    Screw 5Pk – Part Number: STD523107
    Screw 5Pk
    Part Number: STD523107
      No Longer Available
  • B-28
    Flat Washer, 8Pk – Part Number: STD551031
    Flat Washer, 8Pk
    Part Number: STD551031
      No Longer Available
  • B-29
    Lock Washer – Part Number: STD551131
    Lock Washer
    Part Number: STD551131
      No Longer Available
  • B-30
    Nut 8Pk – Part Number: STD541031
    Nut 8Pk
    Part Number: STD541031
      No Longer Available
  • B-32
    Key Sq – Part Number: 805049-1
    Key Sq
    Part Number: 805049-1
      No Longer Available
  • B-34
    Nut 5Pk – Part Number: STD541450
    Nut 5Pk
    Part Number: STD541450
      No Longer Available
  • B-35
    DECAL-3 WIRE START – Part Number: 63615
    DECAL-3 WIRE START
    Part Number: 63615
      Special Order
    $12.39
  • B-36
    Shaft, Elevating – Part Number: 815700
    Shaft, Elevating
    Part Number: 815700
      No Longer Available
  • B-37
    Nut Eleva – Part Number: 815771
    Nut Eleva
    Part Number: 815771
      No Longer Available
  • B-38
    Cover – Part Number: 815864
    Cover
    Part Number: 815864
      No Longer Available
  • B-40
    Screw 8Pk – Part Number: STD512505
    Screw 8Pk
    Part Number: STD512505
      No Longer Available
  • B-41
    HC WRENCH ARBOR – Part Number: 3540
    HC WRENCH ARBOR
    Part Number: 3540
      No Longer Available
  • B-42
    HC WRENCH ARBOR – Part Number: 3540
    HC WRENCH ARBOR
    Part Number: 3540
      No Longer Available
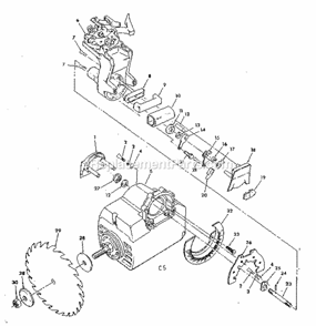
Page C
Page C Diagram and Parts List for  Craftsman Chop Saw
  • C-3
    Washer 8Pk – Part Number: STD551225
    Washer 8Pk
    Part Number: STD551225
      No Longer Available
  • C-4
    Washer 8Pk – Part Number: STD551025
    Washer 8Pk
    Part Number: STD551025
      No Longer Available
  • C-5
    Motor Asm. – Part Number: 816845
    Motor Asm.
    Part Number: 816845
      No Longer Available
  • C-7
    Pan Screw – Part Number: 808380-6
    Pan Screw
    Part Number: 808380-6
      No Longer Available
  • C-8
    Cvr Handle – Part Number: 815682
    Cvr Handle
    Part Number: 815682
      No Longer Available
  • C-10
    Grip – Part Number: 817162
    Grip
    Part Number: 817162
      No Longer Available
  • C-11
    Washer – Part Number: 815678
    Washer
    Part Number: 815678
      No Longer Available
  • C-12
    Pin Index – Part Number: 815679-1
    Pin Index
    Part Number: 815679-1
      No Longer Available
  • C-13
    Washer 8Pk – Part Number: STD551043
    Washer 8Pk
    Part Number: STD551043
      No Longer Available
  • C-15
    Lever Lock – Part Number: 818154
    Lever Lock
    Part Number: 818154
      No Longer Available
  • C-16
    Nut – Part Number: 815813
    Nut
    Part Number: 815813
      No Longer Available
  • C-21
    Thread-forming Screw, 8-pack – Part Number: STD610805
    Thread-forming Screw, 8-pack
    Part Number: STD610805
      No Longer Available
  • C-22
    Self-Tapping Screw – Part Number: STD600803
    Self-Tapping Screw
    Part Number: STD600803
      No Longer Available
  • C-24
    Pin 5Pk – Part Number: STD571207
    Pin 5Pk
    Part Number: STD571207
      No Longer Available
  • C-25
    Pl Assembly – Part Number: 508153
    Pl Assembly
    Part Number: 508153
      No Longer Available
  • C-26
    Plate Index – Part Number: 818197
    Plate Index
    Part Number: 818197
      No Longer Available
  • C-27
    Nut 5Pk – Part Number: STD541450
    Nut 5Pk
    Part Number: STD541450
      No Longer Available
  • C-28
    Collar Blade – Part Number: 62498
    Collar Blade
    Part Number: 62498
      No Longer Available
  • C-30
    Nut – Part Number: 30495
    Nut
    Part Number: 30495
      No Longer Available
  • C-31
    Screw 8Pk – Part Number: STD601103
    Screw 8Pk
    Part Number: STD601103
      No Longer Available
Page D
Page D Diagram and Parts List for  Craftsman Chop Saw
  • D-1
    Screw – Part Number: 810214-3
    Screw
    Part Number: 810214-3
      No Longer Available
  • D-2
    608 Brg – Part Number: STD315485
    608 Brg
    Part Number: STD315485
      No Longer Available
  • D-3
    Flat Washer, 8Pk – Part Number: STD551031
    Flat Washer, 8Pk
    Part Number: STD551031
      No Longer Available
  • D-4
    Wiper Track – Part Number: 817181
    Wiper Track
    Part Number: 817181
      No Longer Available
  • D-7
    Self-Tapping Screw – Part Number: STD600803
    Self-Tapping Screw
    Part Number: STD600803
      No Longer Available
  • D-8
    Carriage – Part Number: 815689
    Carriage
    Part Number: 815689
      No Longer Available
  • D-9
    Washer 5Pk – Part Number: STD551062
    Washer 5Pk
    Part Number: STD551062
      No Longer Available
  • D-10
    Hex Nut – Part Number: 120399
    Hex Nut
    Part Number: 120399
      No Longer Available
  • D-11
    Nut 2Pk – Part Number: STD541462
    Nut 2Pk
    Part Number: STD541462
      No Longer Available
  • D-12
    Nut – Part Number: 62636
    Nut
    Part Number: 62636
      No Longer Available
  • D-14
    1/4-20 Hex Lock Nut – Part Number: STD541425
    1/4-20 Hex Lock Nut
    Part Number: STD541425
      No Longer Available
  • D-15
    Screw – Part Number: 273229
    Screw
    Part Number: 273229
      No Longer Available
  • D-21
    Thread-forming Screw, 8-pack – Part Number: STD610805
    Thread-forming Screw, 8-pack
    Part Number: STD610805
      No Longer Available
  • D-22
    Nut 8Pk – Part Number: STD541231
    Nut 8Pk
    Part Number: STD541231
      No Longer Available
  • D-23
    Lock Washer – Part Number: STD551131
    Lock Washer
    Part Number: STD551131
      No Longer Available
  • D-24
    Ring – Part Number: 815691
    Ring
    Part Number: 815691
      No Longer Available
  • D-25
    Flat Washer – Part Number: STD551012
    Flat Washer
    Part Number: STD551012
      No Longer Available
  • D-26
    Washer 8Pk – Part Number: STD551225
    Washer 8Pk
    Part Number: STD551225
      No Longer Available
  • D-28
    Yoke – Part Number: 815645
    Yoke
    Part Number: 815645
      No Longer Available
  • D-29
    Knob, Swivel Lock – Part Number: 815681
    Knob, Swivel Lock
    Part Number: 815681
      No Longer Available
  • D-30
    Machine Screw, 8-pack – Part Number: STD510803
    Machine Screw, 8-pack
    Part Number: STD510803
      No Longer Available
  • D-31
    Lever, Swivel – Part Number: 815849
    Lever, Swivel
    Part Number: 815849
      No Longer Available
  • D-33
    Pin Index – Part Number: 815679-1
    Pin Index
    Part Number: 815679-1
      No Longer Available
  • D-36
    Stud – Part Number: 815694
    Stud
    Part Number: 815694
      No Longer Available
  • D-37
    Flat Washer, 8Pk – Part Number: STD551031
    Flat Washer, 8Pk
    Part Number: STD551031
      No Longer Available
  • D-38
    Spacer – Part Number: 63777
    Spacer
    Part Number: 63777
      Special Order
    $137.88
  • D-39
    DECAL, ERROR CODE – Part Number: 60438
    DECAL, ERROR CODE
    Part Number: 60438
      Special Order
    $12.83
  • D-40
    Eccentric – Part Number: 815807
    Eccentric
    Part Number: 815807
      No Longer Available
Page E
Page E Diagram and Parts List for  Craftsman Chop Saw
Page F
Page F Diagram and Parts List for  Craftsman Chop Saw
  • F-1
    Guard – Part Number: 816264-1
    Guard
    Part Number: 816264-1
      No Longer Available
  • F-2
    Hex Nut – Part Number: 120399
    Hex Nut
    Part Number: 120399
      No Longer Available
  • F-3
    Dust Guide – Part Number: 977223-001
    Dust Guide
    Part Number: 977223-001
      No Longer Available
  • F-6
    Fan Washer – Part Number: STD551010
    Fan Washer
    Part Number: STD551010
      No Longer Available
  • F-7
    Screw 8Pk – Part Number: STD601103
    Screw 8Pk
    Part Number: STD601103
      No Longer Available
  • F-8
    Nut 8Pk – Part Number: STD541231
    Nut 8Pk
    Part Number: STD541231
      No Longer Available
  • F-9
    Pawl – Part Number: 815815
    Pawl
    Part Number: 815815
      No Longer Available
  • F-10
    E-ring – Part Number: STD581050
    E-ring
    Part Number: STD581050
      No Longer Available
  • F-11
    Spreader – Part Number: 63270
    Spreader
    Part Number: 63270
      No Longer Available
  • F-12
    Bearing – Part Number: 816341
    Bearing
    Part Number: 816341
      No Longer Available
  • F-14
    Screw – Part Number: 816070
    Screw
    Part Number: 816070
      No Longer Available
  • F-15
    Screw Wing – Part Number: 166785-3
    Screw Wing
    Part Number: 166785-3
      No Longer Available
  • F-16
    Guard Clamp – Part Number: 63538
    Guard Clamp
    Part Number: 63538
      No Longer Available
  • F-17
    Screw 8Pk – Part Number: STD510805
    Screw 8Pk
    Part Number: STD510805
      No Longer Available
  • F-18
    Washer 8Pk – Part Number: STD551208
    Washer 8Pk
    Part Number: STD551208
      No Longer Available
  • F-19
    Nut 8Pk – Part Number: STD541008
    Nut 8Pk
    Part Number: STD541008
      No Longer Available
Page G
Page G Diagram and Parts List for  Craftsman Chop Saw
  • G-1
    Table Rear – Part Number: 815757
    Table Rear
    Part Number: 815757
      No Longer Available
  • G-2
    Spacer – Part Number: 815755
    Spacer
    Part Number: 815755
      No Longer Available
  • G-3
    Rip Fence – Part Number: 815758
    Rip Fence
    Part Number: 815758
      No Longer Available
  • G-4
    Table Front – Part Number: 815756
    Table Front
    Part Number: 815756
      No Longer Available
Page H
Page H Diagram and Parts List for  Craftsman Chop Saw
  • H-1
    Screw – Part Number: STD522506
    Screw
    Part Number: STD522506
      No Longer Available
  • H-2
    Skirt 44" – Part Number: 815898
    Skirt 44"
    Part Number: 815898
      No Longer Available
  • H-3
    Nut 8Pk – Part Number: STD541025
    Nut 8Pk
    Part Number: STD541025
      No Longer Available
  • H-4
    Washer 8Pk – Part Number: STD551225
    Washer 8Pk
    Part Number: STD551225
      No Longer Available
  • H-5
    Panel Side R.h. – Part Number: 817151
    Panel Side R.h.
    Part Number: 817151
      No Longer Available
  • H-6
    Nut 5Pk – Part Number: STD541250
    Nut 5Pk
    Part Number: STD541250
      No Longer Available
  • H-7
    Cover – Part Number: 816111
    Cover
    Part Number: 816111
      No Longer Available
  • H-8
    Spacer – Part Number: 817108
    Spacer
    Part Number: 817108
      No Longer Available
  • H-9
    Ft Level 3 – Part Number: 803835-1
    Ft Level 3
    Part Number: 803835-1
      No Longer Available
  • H-13
    Panel Side L.h. – Part Number: 817150
    Panel Side L.h.
    Part Number: 817150
      No Longer Available
Page I
Page I Diagram and Parts List for  Craftsman Chop Saw
Page J
Page J Diagram and Parts List for  Craftsman Chop Saw
Page K
Page K Diagram and Parts List for  Craftsman Chop Saw
  • K-3
    Washer 8Pk – Part Number: STD551025
    Washer 8Pk
    Part Number: STD551025
      No Longer Available
  • K-4
    Scrw Hx Wshr – Part Number: 815865
    Scrw Hx Wshr
    Part Number: 815865
      No Longer Available
  • K-5
    Screw 8Pk – Part Number: STD601105
    Screw 8Pk
    Part Number: STD601105
      No Longer Available
  • K-6
    Spacer – Part Number: 802392-47
    Spacer
    Part Number: 802392-47
      No Longer Available
  • K-8
    PREFILTER – Part Number: 62482
    PREFILTER
    Part Number: 62482
      Special Order
    $464.25
  • K-9
    Flat Washer, 8Pk – Part Number: STD551031
    Flat Washer, 8Pk
    Part Number: STD551031
      No Longer Available
  • K-11
    Gasket – Part Number: 820515
    Gasket
    Part Number: 820515
      Special Order
    $13.60
  • K-12
    1/4-20 Hex Lock Nut – Part Number: STD541425
    1/4-20 Hex Lock Nut
    Part Number: STD541425
      No Longer Available
  • K-13
    Pawl – Part Number: 815815
    Pawl
    Part Number: 815815
      No Longer Available
  • K-15
    Screw 5Pk – Part Number: STD512510
    Screw 5Pk
    Part Number: STD512510
      No Longer Available
  • K-17
    Screw Pan – Part Number: 820219-2
    Screw Pan
    Part Number: 820219-2
      No Longer Available
  • K-21
    Washer 8Pk – Part Number: STD551225
    Washer 8Pk
    Part Number: STD551225
      No Longer Available
  • K-23
    Nut Push – Part Number: 60208-D
    Nut Push
    Part Number: 60208-D
      No Longer Available
  • K-24
    Ring 2Pk – Part Number: STD581025
    Ring 2Pk
    Part Number: STD581025
      No Longer Available
  • K-25
    Carriage Bolt – Part Number: STD533107
    Carriage Bolt
    Part Number: STD533107
      No Longer Available
  • K-26
    Bolt Hd – Part Number: 809019-4
    Bolt Hd
    Part Number: 809019-4
      No Longer Available
  • K-28
    Guard Lower – Part Number: 821310
    Guard Lower
    Part Number: 821310
      No Longer Available
  • K-29
    Link – Part Number: 821311
    Link
    Part Number: 821311
      No Longer Available
  • K-30
    Guard – Part Number: 821312
    Guard
    Part Number: 821312
      No Longer Available
  • K-32
    Dust Guide – Part Number: 977223-001
    Dust Guide
    Part Number: 977223-001
      No Longer Available
  • K-33
    Pushnut – Part Number: 60413
    Pushnut
    Part Number: 60413
      No Longer Available