Craftsman Parts

Craftsman 10-Inch Radial Saw Chop Saw Replacement Parts For Model 113197702

We Sell Only Genuine Craftsman Parts

Popular Parts for 113197702

Search Within Model

Browse all Parts Search by Area
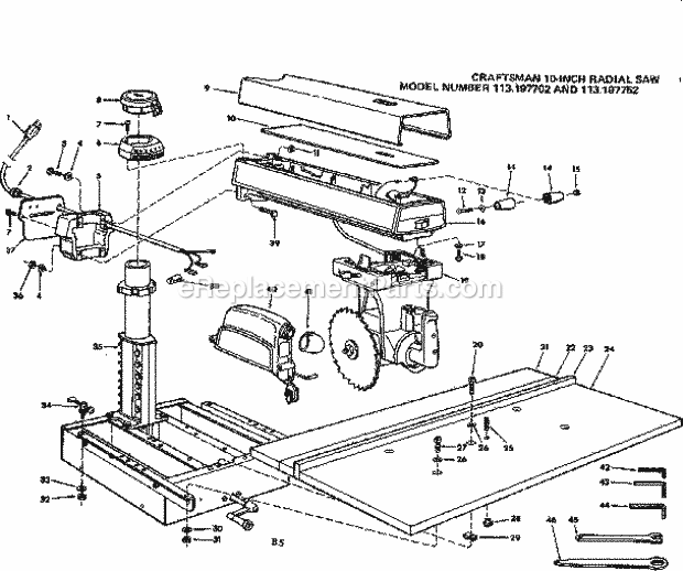
Arm Assembly Diagram and Parts List for  Craftsman Chop Saw
Arm Assembly
Base Assembly Diagram and Parts List for  Craftsman Chop Saw
Base Assembly
Gurad Assembly Diagram and Parts List for  Craftsman Chop Saw
Gurad Assembly
Leg Set F/113.197752 Diagram and Parts List for  Craftsman Chop Saw
Leg Set F/113.197752
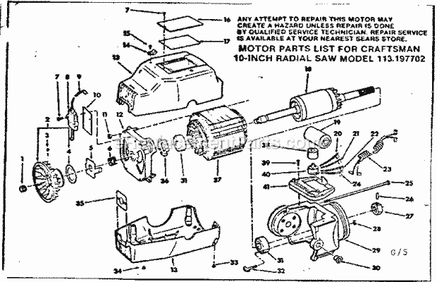
Motor Assembly Diagram and Parts List for  Craftsman Chop Saw
Motor Assembly
Unit Diagram and Parts List for  Craftsman Chop Saw
Unit
Yoke Assembly Diagram and Parts List for  Craftsman Chop Saw
Yoke Assembly
Previous Showing All Parts Next
Arm Assembly
Arm Assembly Diagram and Parts List for  Craftsman Chop Saw
  • E-2
    Index – Part Number: 63629
    Index
    Part Number: 63629
      No Longer Available
  • E-3
    Lock – Part Number: 63631
    Lock
    Part Number: 63631
      No Longer Available
  • E-4
    Spring, Tension – Part Number: 63628
    Spring, Tension
    Part Number: 63628
      Special Order
    $13403.17
  • E-5
    Screw – Part Number: 9420417
    Screw
    Part Number: 9420417
      No Longer Available
  • E-6
    RELAY & BREAKER ASM – Part Number: 63883
    RELAY & BREAKER ASM
    Part Number: 63883
      Special Order
    $174.87
  • E-11
    Spring Pin – Part Number: 60240
    Spring Pin
    Part Number: 60240
      Special Order
    $6.16
  • E-13
    Lever Asm – Part Number: 63872
    Lever Asm
    Part Number: 63872
      No Longer Available
  • E-14
    Washer 8Pk – Part Number: STD551025
    Washer 8Pk
    Part Number: STD551025
      No Longer Available
  • E-15
    Nut Push – Part Number: 60208-D
    Nut Push
    Part Number: 60208-D
      No Longer Available
  • E-16
    Pin – Part Number: 63638
    Pin
    Part Number: 63638
      Special Order
    $6.16
  • E-20
    Screw 8Pk – Part Number: STD601103
    Screw 8Pk
    Part Number: STD601103
      No Longer Available
  • E-21
    Washer 8Pk – Part Number: STD551210
    Washer 8Pk
    Part Number: STD551210
      No Longer Available
  • E-22
    Track – Part Number: 63639
    Track
    Part Number: 63639
      No Longer Available
  • E-23
    Mach Screw – Part Number: 448337
    Mach Screw
    Part Number: 448337
      No Longer Available
  • E-25
    Switch Keys – Part Number: 22255
    Switch Keys
    Part Number: 22255
      No Longer Available
  • E-26
    Self-Tapping Screw – Part Number: STD600803
    Self-Tapping Screw
    Part Number: STD600803
      No Longer Available
Base Assembly
Base Assembly Diagram and Parts List for  Craftsman Chop Saw
  • D-1
    Screw 2Pk – Part Number: STD503705
    Screw 2Pk
    Part Number: STD503705
      No Longer Available
  • D-3
    Ring Retain – Part Number: STD582300
    Ring Retain
    Part Number: STD582300
      No Longer Available
  • D-4
    Tube Asm – Part Number: 63611
    Tube Asm
    Part Number: 63611
      No Longer Available
  • D-6
    Pin 2Pk – Part Number: STD572510
    Pin 2Pk
    Part Number: STD572510
      No Longer Available
  • D-7
    SPACER-BRAKE LEVER – Part Number: 63612
    SPACER-BRAKE LEVER
    Part Number: 63612
      Special Order
    $15.54
  • D-8
    Screw 5Pk – Part Number: STD523107
    Screw 5Pk
    Part Number: STD523107
      No Longer Available
  • D-9
    Screw 5Pk – Part Number: STD523110
    Screw 5Pk
    Part Number: STD523110
      No Longer Available
  • D-10
    Screw 5Pk – Part Number: STD523105
    Screw 5Pk
    Part Number: STD523105
      No Longer Available
  • D-11
    Nut 8Pk – Part Number: STD541037
    Nut 8Pk
    Part Number: STD541037
      No Longer Available
  • D-12
    Washer, Lock 3/8 – Part Number: STD551137
    Washer, Lock 3/8
    Part Number: STD551137
      No Longer Available
  • D-13
    Washer – Part Number: 60340
    Washer
    Part Number: 60340
      No Longer Available
  • D-14
    Screw 5Pk – Part Number: STD523712
    Screw 5Pk
    Part Number: STD523712
      No Longer Available
  • D-16
    Screw – Part Number: 60329
    Screw
    Part Number: 60329
      No Longer Available
  • D-17
    Screw 2Pk – Part Number: STD523117
    Screw 2Pk
    Part Number: STD523117
      No Longer Available
  • D-18
    Screw 5Pk – Part Number: STD523115
    Screw 5Pk
    Part Number: STD523115
      No Longer Available
  • D-19
    Support Lh – Part Number: 63609
    Support Lh
    Part Number: 63609
      No Longer Available
  • D-21
    Washrthrust – Part Number: 63500
    Washrthrust
    Part Number: 63500
      No Longer Available
  • D-23
    Washr Thrust – Part Number: 60300
    Washr Thrust
    Part Number: 60300
      No Longer Available
  • D-24
    DECAL-3 WIRE START – Part Number: 63615
    DECAL-3 WIRE START
    Part Number: 63615
      Special Order
    $12.39
  • D-25
    Nut 5Pk – Part Number: STD541450
    Nut 5Pk
    Part Number: STD541450
      No Longer Available
  • D-26
    Key 2Pk – Part Number: STD580014
    Key 2Pk
    Part Number: STD580014
      No Longer Available
  • D-28
    Nut 8Pk – Part Number: STD541031
    Nut 8Pk
    Part Number: STD541031
      No Longer Available
  • D-29
    Locknut – Part Number: STD541431
    Locknut
    Part Number: STD541431
      No Longer Available
  • D-31
    E Ring – Part Number: STD581037
    E Ring
    Part Number: STD581037
      No Longer Available
  • D-34
    Washer 8Pk – Part Number: STD551050
    Washer 8Pk
    Part Number: STD551050
      No Longer Available
  • D-35
    E-ring – Part Number: STD581050
    E-ring
    Part Number: STD581050
      No Longer Available
  • D-37
    Nut 8Pk – Part Number: STD541025
    Nut 8Pk
    Part Number: STD541025
      No Longer Available
  • D-38
    Washer 8Pk – Part Number: STD551125
    Washer 8Pk
    Part Number: STD551125
      No Longer Available
  • D-39
    Bearing – Part Number: 63622
    Bearing
    Part Number: 63622
      No Longer Available
  • D-41
    Flat Washer – Part Number: STD551012
    Flat Washer
    Part Number: STD551012
      No Longer Available
  • D-42
    Square Head Machine Bolt (8 pack) – Part Number: STD522505
    Square Head Machine Bolt (8 pack)
    Part Number: STD522505
      No Longer Available
  • D-43
    Screw 5Pk – Part Number: STD502503
    Screw 5Pk
    Part Number: STD502503
      No Longer Available
  • D-44
    Wheel Hand – Part Number: 818526
    Wheel Hand
    Part Number: 818526
      No Longer Available
  • D-45
    Base Asm – Part Number: 63621
    Base Asm
    Part Number: 63621
      No Longer Available
  • D-46
    REEL,COMPACT M40 25MM SL TS – Part Number: 63673
    REEL,COMPACT M40 25MM SL TS
    Part Number: 63673
      Special Order
    $13057.07
  • D-47
    Flat Washer, 8Pk – Part Number: STD551031
    Flat Washer, 8Pk
    Part Number: STD551031
      No Longer Available
  • D-48
    Lock Washer – Part Number: STD551131
    Lock Washer
    Part Number: STD551131
      No Longer Available
  • D-49
    Nut 8Pk – Part Number: STD541031
    Nut 8Pk
    Part Number: STD541031
      No Longer Available
  • D-50
    Screw 5Pk – Part Number: STD523107
    Screw 5Pk
    Part Number: STD523107
      No Longer Available
Gurad Assembly
Gurad Assembly Diagram and Parts List for  Craftsman Chop Saw
  • F-1
    Guard – Part Number: 508484
    Guard
    Part Number: 508484
      No Longer Available
  • F-2
    Hex Nut – Part Number: 120399
    Hex Nut
    Part Number: 120399
      No Longer Available
  • F-4
    ENCLOSURE CHRGR CONV – Part Number: 63540
    ENCLOSURE CHRGR CONV
    Part Number: 63540
      Special Order
    $95.01
  • F-5
    Fan Washer – Part Number: STD551010
    Fan Washer
    Part Number: STD551010
      No Longer Available
  • F-6
    Screw 8Pk – Part Number: STD601103
    Screw 8Pk
    Part Number: STD601103
      No Longer Available
  • F-7
    20,000 LB. JACK WITH 1/4-INCH – Part Number: 60219
    20,000 LB. JACK WITH 1/4-INCH
    Part Number: 60219
      Special Order
    $452.51
  • F-8
    Nut 8Pk – Part Number: STD541231
    Nut 8Pk
    Part Number: STD541231
      No Longer Available
  • F-9
    Pawl – Part Number: 63271
    Pawl
    Part Number: 63271
      No Longer Available
  • F-10
    Ring 5Pk – Part Number: STD582043
    Ring 5Pk
    Part Number: STD582043
      No Longer Available
  • F-11
    Spreader – Part Number: 63270
    Spreader
    Part Number: 63270
      No Longer Available
  • F-12
    Bearing – Part Number: 816341
    Bearing
    Part Number: 816341
      No Longer Available
  • F-13
    Screw – Part Number: 816070
    Screw
    Part Number: 816070
      No Longer Available
  • F-15
    Nut 8Pk – Part Number: STD541008
    Nut 8Pk
    Part Number: STD541008
      No Longer Available
  • F-16
    Washer 8Pk – Part Number: STD551108
    Washer 8Pk
    Part Number: STD551108
      No Longer Available
  • F-17
    Guard Clamp – Part Number: 63538
    Guard Clamp
    Part Number: 63538
      No Longer Available
  • F-18
    Screw 8Pk – Part Number: STD510805
    Screw 8Pk
    Part Number: STD510805
      No Longer Available
Leg Set F/113.197752
Leg Set F/113.197752 Diagram and Parts List for  Craftsman Chop Saw
  • A-2
    Screw – Part Number: STD522506
    Screw
    Part Number: STD522506
      No Longer Available
  • A-4
    Stfnr L H – Part Number: 63750
    Stfnr L H
    Part Number: 63750
      No Longer Available
  • A-5
    Washer 8Pk – Part Number: STD551225
    Washer 8Pk
    Part Number: STD551225
      No Longer Available
  • A-6
    Nut 8Pk – Part Number: STD541025
    Nut 8Pk
    Part Number: STD541025
      No Longer Available
  • A-7
    Screw 5Pk – Part Number: STD523106
    Screw 5Pk
    Part Number: STD523106
      No Longer Available
  • A-8
    Flat Washer, 8Pk – Part Number: STD551031
    Flat Washer, 8Pk
    Part Number: STD551031
      No Longer Available
  • A-9
    Lock Washer – Part Number: STD551131
    Lock Washer
    Part Number: STD551131
      No Longer Available
  • A-10
    Nut 8Pk – Part Number: STD541231
    Nut 8Pk
    Part Number: STD541231
      No Longer Available
  • A-11
    Nut 5Pk – Part Number: STD541250
    Nut 5Pk
    Part Number: STD541250
      No Longer Available
  • A-12
    Ft Level 3 – Part Number: 803835-1
    Ft Level 3
    Part Number: 803835-1
      No Longer Available
Motor Assembly
Motor Assembly Diagram and Parts List for  Craftsman Chop Saw
Unit
Unit Diagram and Parts List for  Craftsman Chop Saw
Yoke Assembly
Yoke Assembly Diagram and Parts List for  Craftsman Chop Saw
  • C-1
    Screw 8Pk – Part Number: STD601105
    Screw 8Pk
    Part Number: STD601105
      No Longer Available
  • C-3
    Indicat Rip – Part Number: 63786
    Indicat Rip
    Part Number: 63786
      No Longer Available
  • C-4
    Screw 8Pk – Part Number: STD510605
    Screw 8Pk
    Part Number: STD510605
      No Longer Available
  • C-5
    Hex Nut – Part Number: 120399
    Hex Nut
    Part Number: 120399
      No Longer Available
  • C-7
    RADIATOR TUBE UPPER – Part Number: 63893
    RADIATOR TUBE UPPER
    Part Number: 63893
      Special Order
    $109.67
  • C-9
    Spring – Part Number: 63656
    Spring
    Part Number: 63656
      No Longer Available
  • C-10
    Flat Washer, 8Pk – Part Number: STD551031
    Flat Washer, 8Pk
    Part Number: STD551031
      No Longer Available
  • C-11
    Washer 8Pk – Part Number: STD551231
    Washer 8Pk
    Part Number: STD551231
      Special Order
    $8.97
  • C-12
    Screw 5Pk – Part Number: STD523107
    Screw 5Pk
    Part Number: STD523107
      No Longer Available
  • C-14
    Screw 5Pk – Part Number: STD523115
    Screw 5Pk
    Part Number: STD523115
      No Longer Available
  • C-15
    Spacer – Part Number: 63777
    Spacer
    Part Number: 63777
      Special Order
    $137.88
  • C-16
    Flat Washer, 8Pk – Part Number: STD551031
    Flat Washer, 8Pk
    Part Number: STD551031
      No Longer Available
  • C-17
    Nut 2Pk – Part Number: STD541462
    Nut 2Pk
    Part Number: STD541462
      No Longer Available
  • C-18
    Washer 5Pk – Part Number: STD551062
    Washer 5Pk
    Part Number: STD551062
      No Longer Available
  • C-19
    Bumper – Part Number: 30567
    Bumper
    Part Number: 30567
      No Longer Available
  • C-20
    Bearing – Part Number: 63779
    Bearing
    Part Number: 63779
      No Longer Available
  • C-22
    SWIVAL SPRING – Part Number: 080038001463
    SWIVAL SPRING
    Part Number: 080038001463
      In Stock
    $6.16
  • C-23
    MANUAL-GTS 200 A-Y – Part Number: 63659
    MANUAL-GTS 200 A-Y
    Part Number: 63659
      Special Order
    $13.60
  • C-24
    Knob Asm – Part Number: 63660
    Knob Asm
    Part Number: 63660
      No Longer Available
  • C-25
    Gov. shaft washer – Part Number: 30530
    Gov. shaft washer
    Part Number: 30530
      Special Order
    $3.96
  • C-26
    Carriage – Part Number: 63641
    Carriage
    Part Number: 63641
      No Longer Available
  • C-27
    Nut 8Pk – Part Number: STD541231
    Nut 8Pk
    Part Number: STD541231
      No Longer Available
  • C-28
    Nut – Part Number: 30495
    Nut
    Part Number: 30495
      No Longer Available
  • C-29
    Collar Blade – Part Number: 62498
    Collar Blade
    Part Number: 62498
      No Longer Available
  • C-30
    Blade – Part Number: 9-26810
    Blade
    Part Number: 9-26810
      No Longer Available
  • C-31
    Hex Lock Nut, 8-pack – Part Number: STD541411
    Hex Lock Nut, 8-pack
    Part Number: STD541411
      No Longer Available
  • C-32
    Washer 8Pk – Part Number: STD551037
    Washer 8Pk
    Part Number: STD551037
      No Longer Available
  • C-34
    HC STUD MOTOR – Part Number: 63651
    HC STUD MOTOR
    Part Number: 63651
      Special Order
    $6.16
  • C-35
    Bushing – Part Number: 63469
    Bushing
    Part Number: 63469
      No Longer Available
  • C-36
    Yoke – Part Number: 63642
    Yoke
    Part Number: 63642
      No Longer Available
  • C-38
    Clamp – Part Number: 63643
    Clamp
    Part Number: 63643
      No Longer Available
  • C-42
    Bevel – Part Number: 63620
    Bevel
    Part Number: 63620
      No Longer Available
  • C-43
    SWITCH ENCLOSURE – Part Number: 60337
    SWITCH ENCLOSURE
    Part Number: 60337
      Special Order
    $3584.04
  • C-44
    Self-Tapping Screw – Part Number: STD600803
    Self-Tapping Screw
    Part Number: STD600803
      No Longer Available
  • C-46
    Yoke – Part Number: 63653
    Yoke
    Part Number: 63653
      No Longer Available
  • C-47
    Handle – Part Number: 63654
    Handle
    Part Number: 63654
      No Longer Available
  • C-48
    Screw – Part Number: 60338
    Screw
    Part Number: 60338
      No Longer Available
  • C-49
    Screw – Part Number: 9421628
    Screw
    Part Number: 9421628
      No Longer Available
  • C-50
    Lock Washer – Part Number: STD551131
    Lock Washer
    Part Number: STD551131
      No Longer Available
  • C-51
    Screw – Part Number: 9421627
    Screw
    Part Number: 9421627
      No Longer Available
  • C-53
    Index – Part Number: 63649
    Index
    Part Number: 63649
      No Longer Available
  • C-55
    Lock – Part Number: 63647
    Lock
    Part Number: 63647
      No Longer Available
  • C-56
    Washer 8Pk – Part Number: STD551210
    Washer 8Pk
    Part Number: STD551210
      No Longer Available
  • C-57
    Screw 8Pk – Part Number: STD511107
    Screw 8Pk
    Part Number: STD511107
      No Longer Available
  • C-58
    Screw 2Pk – Part Number: STD523120
    Screw 2Pk
    Part Number: STD523120
      No Longer Available
  • C-59
    Yoke – Part Number: 63646
    Yoke
    Part Number: 63646
      No Longer Available
  • C-61
    Washer Assm – Part Number: 63782
    Washer Assm
    Part Number: 63782
      No Longer Available