Craftsman Parts

Craftsman Radial Saw Chop Saw Replacement Parts For Model 113197150

We Sell Only Genuine Craftsman Parts

Popular Parts for 113197150

Search Within Model

Browse all Parts Search by Area
Figure 1 Diagram and Parts List for  Craftsman Chop Saw
Figure 1
Figure 10 Diagram and Parts List for  Craftsman Chop Saw
Figure 10
Figure 11 - Guard Diagram and Parts List for  Craftsman Chop Saw
Figure 11 - Guard
Figure 2 - Base And Colum... Diagram and Parts List for  Craftsman Chop Saw
Figure 2 - Base And Colum...
Figure 3 - Yoke And Motor... Diagram and Parts List for  Craftsman Chop Saw
Figure 3 - Yoke And Motor...
Figure 4 - Yoke Assembly Diagram and Parts List for  Craftsman Chop Saw
Figure 4 - Yoke Assembly
Figure 5 - Arm Assembly Diagram and Parts List for  Craftsman Chop Saw
Figure 5 - Arm Assembly
Figure 6 - Guard Assembly Diagram and Parts List for  Craftsman Chop Saw
Figure 6 - Guard Assembly
Figure 7 - Table Assembly Diagram and Parts List for  Craftsman Chop Saw
Figure 7 - Table Assembly
Figure 8 - Leg Set Diagram and Parts List for  Craftsman Chop Saw
Figure 8 - Leg Set
Guard Diagram and Parts List for  Craftsman Chop Saw
Guard
Guard Kit 509398/99 Table... Diagram and Parts List for  Craftsman Chop Saw
Guard Kit 509398/99 Table...
Motor 818888 Diagram and Parts List for  Craftsman Chop Saw
Motor 818888
Previous Showing All Parts Next
Figure 1
Figure 1 Diagram and Parts List for  Craftsman Chop Saw
  • A-1
    Screw 8Pk – Part Number: STD601105
    Screw 8Pk
    Part Number: STD601105
      No Longer Available
  • A-2
    Fan Washer – Part Number: STD551010
    Fan Washer
    Part Number: STD551010
      No Longer Available
  • A-4
    Washer – Part Number: 60353
    Washer
    Part Number: 60353
      No Longer Available
  • A-9
    PCB ASSY THROT POSTN – Part Number: 60074
    PCB ASSY THROT POSTN
    Part Number: 60074
      Special Order
    $727.69
  • A-10
    Screw – Part Number: 806828-4
    Screw
    Part Number: 806828-4
      No Longer Available
  • A-11
    Flat Washer – Part Number: STD551012
    Flat Washer
    Part Number: STD551012
      No Longer Available
  • A-12
    Screw 5Pk – Part Number: STD512510
    Screw 5Pk
    Part Number: STD512510
      No Longer Available
  • A-13
    Clip U – Part Number: 815989
    Clip U
    Part Number: 815989
      No Longer Available
  • A-14
    Oil Pump Gear Retaining Ring – Part Number: 37384
    Oil Pump Gear Retaining Ring
    Part Number: 37384
      Special Order
    $6.16
  • A-15
    Nut 8Pk – Part Number: STD541025
    Nut 8Pk
    Part Number: STD541025
      No Longer Available
  • A-16
    Washer 8Pk – Part Number: STD551225
    Washer 8Pk
    Part Number: STD551225
      No Longer Available
  • A-18
    Nut 8Pk – Part Number: STD541037
    Nut 8Pk
    Part Number: STD541037
      No Longer Available
  • A-19
    Rivet – Part Number: 815774
    Rivet
    Part Number: 815774
      No Longer Available
  • A-20
    Nut Push – Part Number: 60208-D
    Nut Push
    Part Number: 60208-D
      No Longer Available
  • A-22
    Screw – Part Number: 815856-1
    Screw
    Part Number: 815856-1
      No Longer Available
  • A-28
    Screw – Part Number: STD522506
    Screw
    Part Number: STD522506
      No Longer Available
Figure 10
Figure 10 Diagram and Parts List for  Craftsman Chop Saw
Figure 11 - Guard
Figure 11 - Guard Diagram and Parts List for  Craftsman Chop Saw
  • K-3
    Washer 8Pk – Part Number: STD551025
    Washer 8Pk
    Part Number: STD551025
      No Longer Available
  • K-4
    Scrw Hx Wshr – Part Number: 815865
    Scrw Hx Wshr
    Part Number: 815865
      No Longer Available
  • K-5
    Screw 8Pk – Part Number: STD601105
    Screw 8Pk
    Part Number: STD601105
      No Longer Available
  • K-6
    Spacer – Part Number: 802392-47
    Spacer
    Part Number: 802392-47
      No Longer Available
  • K-8
    PREFILTER – Part Number: 62482
    PREFILTER
    Part Number: 62482
      Special Order
    $464.25
  • K-9
    Flat Washer, 8Pk – Part Number: STD551031
    Flat Washer, 8Pk
    Part Number: STD551031
      No Longer Available
  • K-11
    Gasket – Part Number: 820515
    Gasket
    Part Number: 820515
      Special Order
    $13.60
  • K-12
    1/4-20 Hex Lock Nut – Part Number: STD541425
    1/4-20 Hex Lock Nut
    Part Number: STD541425
      No Longer Available
  • K-13
    Pawl – Part Number: 815815
    Pawl
    Part Number: 815815
      No Longer Available
  • K-15
    Screw 5Pk – Part Number: STD512510
    Screw 5Pk
    Part Number: STD512510
      No Longer Available
  • K-17
    Screw – Part Number: 824159
    Screw
    Part Number: 824159
      No Longer Available
  • K-21
    Washer 8Pk – Part Number: STD551225
    Washer 8Pk
    Part Number: STD551225
      No Longer Available
  • K-23
    Nut Push – Part Number: 60208-D
    Nut Push
    Part Number: 60208-D
      No Longer Available
  • K-24
    Ring 2Pk – Part Number: STD581025
    Ring 2Pk
    Part Number: STD581025
      No Longer Available
  • K-25
    Carriage Bolt – Part Number: STD533107
    Carriage Bolt
    Part Number: STD533107
      No Longer Available
  • K-26
    Bolt Hd – Part Number: 809019-4
    Bolt Hd
    Part Number: 809019-4
      No Longer Available
  • K-28
    Guard Lower – Part Number: 821310
    Guard Lower
    Part Number: 821310
      No Longer Available
  • K-29
    Link – Part Number: 821311
    Link
    Part Number: 821311
      No Longer Available
  • K-30
    Guard – Part Number: 821312
    Guard
    Part Number: 821312
      No Longer Available
  • K-32
    Dust Guide – Part Number: 977223-001
    Dust Guide
    Part Number: 977223-001
      No Longer Available
  • K-33
    Pushnut – Part Number: 60413
    Pushnut
    Part Number: 60413
      No Longer Available
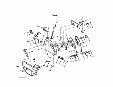
Figure 2 - Base And Colum...
Figure 2 - Base And Colum... Diagram and Parts List for  Craftsman Chop Saw
  • B-2
    Washer – Part Number: 60353
    Washer
    Part Number: 60353
      No Longer Available
  • B-4
    Screw, Socket Hd. Cap 1/4-20 X 1-1/4 – Part Number: 817398-2
    Screw, Socket Hd. Cap 1/4-20 X 1-1/4
    Part Number: 817398-2
      No Longer Available
  • B-5
    Rivet – Part Number: 815774
    Rivet
    Part Number: 815774
      No Longer Available
  • B-6
    Lock Assembly – Part Number: 818198
    Lock Assembly
    Part Number: 818198
      No Longer Available
  • B-7
    Nut Push – Part Number: 60208-D
    Nut Push
    Part Number: 60208-D
      No Longer Available
  • B-9
    Screw – Part Number: 815992-1
    Screw
    Part Number: 815992-1
      No Longer Available
  • B-11
    Tube – Part Number: 815770
    Tube
    Part Number: 815770
      No Longer Available
  • B-12
    E Ring – Part Number: STD581043
    E Ring
    Part Number: STD581043
      No Longer Available
  • B-13
    Screw – Part Number: 977492-001
    Screw
    Part Number: 977492-001
      No Longer Available
  • B-14
    Support Col – Part Number: 818212
    Support Col
    Part Number: 818212
      No Longer Available
  • B-15
    Nut 8Pk – Part Number: STD541037
    Nut 8Pk
    Part Number: STD541037
      No Longer Available
  • B-17
    Screw 5Pk – Part Number: STD523107
    Screw 5Pk
    Part Number: STD523107
      No Longer Available
  • B-18
    Flat Washer, 8Pk – Part Number: STD551031
    Flat Washer, 8Pk
    Part Number: STD551031
      No Longer Available
  • B-19
    Lock Washer – Part Number: STD551131
    Lock Washer
    Part Number: STD551131
      No Longer Available
  • B-21
    Washrthrust – Part Number: 63500
    Washrthrust
    Part Number: 63500
      No Longer Available
  • B-22
    Snap Rng Ext – Part Number: STD582050
    Snap Rng Ext
    Part Number: STD582050
      No Longer Available
  • B-23
    Nut 8Pk – Part Number: STD541031
    Nut 8Pk
    Part Number: STD541031
      No Longer Available
  • B-24
    Screw 5Pk – Part Number: STD523107
    Screw 5Pk
    Part Number: STD523107
      No Longer Available
  • B-25
    Ring 2Pk – Part Number: STD592050
    Ring 2Pk
    Part Number: STD592050
      No Longer Available
  • B-26
    Hnd Whl Asm. – Part Number: 816499
    Hnd Whl Asm.
    Part Number: 816499
      No Longer Available
  • B-27
    Washer 8Pk – Part Number: STD551210
    Washer 8Pk
    Part Number: STD551210
      No Longer Available
  • B-28
    Panel Screw – Part Number: STD511105
    Panel Screw
    Part Number: STD511105
      No Longer Available
  • B-29
    Channel Tble – Part Number: 818199
    Channel Tble
    Part Number: 818199
      No Longer Available
  • B-30
    Flat Washer, 8Pk – Part Number: STD551031
    Flat Washer, 8Pk
    Part Number: STD551031
      No Longer Available
  • B-32
    Nut 5Pk – Part Number: STD541450
    Nut 5Pk
    Part Number: STD541450
      No Longer Available
  • B-33
    Wshr Kyd – Part Number: 817106
    Wshr Kyd
    Part Number: 817106
      No Longer Available
  • B-36
    Brkt Clamp – Part Number: 818166
    Brkt Clamp
    Part Number: 818166
      No Longer Available
  • B-37
    Table Clamp – Part Number: 818161
    Table Clamp
    Part Number: 818161
      No Longer Available
  • B-38
    Hex Nut – Part Number: 120399
    Hex Nut
    Part Number: 120399
      No Longer Available
  • B-39
    Screw Clamp – Part Number: 818162-K
    Screw Clamp
    Part Number: 818162-K
      No Longer Available
  • B-40
    Shaft, Elevating – Part Number: 818167
    Shaft, Elevating
    Part Number: 818167
      No Longer Available
  • B-41
    Nut Elev – Part Number: 818224
    Nut Elev
    Part Number: 818224
      No Longer Available
  • B-42
    Cover – Part Number: 815864
    Cover
    Part Number: 815864
      No Longer Available
  • B-43
    Scrw Hx Wshr – Part Number: 815865
    Scrw Hx Wshr
    Part Number: 815865
      No Longer Available
  • B-44
    HC WRENCH ARBOR – Part Number: 3540
    HC WRENCH ARBOR
    Part Number: 3540
      No Longer Available
Figure 3 - Yoke And Motor...
Figure 3 - Yoke And Motor... Diagram and Parts List for  Craftsman Chop Saw
  • C-2
    Pan Screw – Part Number: 808380-6
    Pan Screw
    Part Number: 808380-6
      No Longer Available
  • C-3
    Hdle Yoke – Part Number: 818202
    Hdle Yoke
    Part Number: 818202
      No Longer Available
  • C-4
    Washer – Part Number: 815678
    Washer
    Part Number: 815678
      No Longer Available
  • C-5
    Pin Index – Part Number: 815679-1
    Pin Index
    Part Number: 815679-1
      No Longer Available
  • C-6
    Washer 8Pk – Part Number: STD551043
    Washer 8Pk
    Part Number: STD551043
      No Longer Available
  • C-8
    Lever Lock – Part Number: 818154
    Lever Lock
    Part Number: 818154
      No Longer Available
  • C-9
    Nut – Part Number: 815813
    Nut
    Part Number: 815813
      No Longer Available
  • C-14
    Screw – Part Number: 815992-1
    Screw
    Part Number: 815992-1
      No Longer Available
  • C-15
    Flat Washer – Part Number: STD551012
    Flat Washer
    Part Number: STD551012
      No Longer Available
  • C-16
    Motor – Part Number: 818888
    Motor
    Part Number: 818888
      No Longer Available
  • C-18
    Self-Tapping Screw – Part Number: STD600803
    Self-Tapping Screw
    Part Number: STD600803
      No Longer Available
  • C-19
    Plate Index – Part Number: 818197
    Plate Index
    Part Number: 818197
      No Longer Available
  • C-20
    Pl Assembly – Part Number: 508153
    Pl Assembly
    Part Number: 508153
      No Longer Available
  • C-22
    Collar Blade – Part Number: 62498
    Collar Blade
    Part Number: 62498
      No Longer Available
  • C-24
    Nut – Part Number: 30495
    Nut
    Part Number: 30495
      No Longer Available
  • C-25
    Washer 8Pk – Part Number: STD551043
    Washer 8Pk
    Part Number: STD551043
      No Longer Available
  • C-26
    Nut Lock – Part Number: 805839-1
    Nut Lock
    Part Number: 805839-1
      No Longer Available
Figure 4 - Yoke Assembly
Figure 4 - Yoke Assembly Diagram and Parts List for  Craftsman Chop Saw
  • D-1
    Screw – Part Number: 810214-3
    Screw
    Part Number: 810214-3
      No Longer Available
  • D-2
    608 Brg – Part Number: STD315485
    608 Brg
    Part Number: STD315485
      No Longer Available
  • D-3
    Flat Washer, 8Pk – Part Number: STD551031
    Flat Washer, 8Pk
    Part Number: STD551031
      No Longer Available
  • D-4
    Wiper Track – Part Number: 817181
    Wiper Track
    Part Number: 817181
      No Longer Available
  • D-7
    Self-Tapping Screw – Part Number: STD600803
    Self-Tapping Screw
    Part Number: STD600803
      No Longer Available
  • D-8
    Carriage – Part Number: 815689
    Carriage
    Part Number: 815689
      No Longer Available
  • D-9
    Washer 5Pk – Part Number: STD551062
    Washer 5Pk
    Part Number: STD551062
      No Longer Available
  • D-10
    Hex Nut – Part Number: 120399
    Hex Nut
    Part Number: 120399
      No Longer Available
  • D-11
    Nut 2Pk – Part Number: STD541462
    Nut 2Pk
    Part Number: STD541462
      No Longer Available
  • D-12
    Nut – Part Number: 62636
    Nut
    Part Number: 62636
      No Longer Available
  • D-14
    1/4-20 Hex Lock Nut – Part Number: STD541425
    1/4-20 Hex Lock Nut
    Part Number: STD541425
      No Longer Available
  • D-15
    Cord Guard – Part Number: 62520
    Cord Guard
    Part Number: 62520
      No Longer Available
  • D-16
    Screw – Part Number: 273229
    Screw
    Part Number: 273229
      No Longer Available
  • D-20
    Carriage Bolt – Part Number: STD532510
    Carriage Bolt
    Part Number: STD532510
      No Longer Available
  • D-21
    Nut 8Pk – Part Number: STD541231
    Nut 8Pk
    Part Number: STD541231
      No Longer Available
  • D-22
    Lock Washer – Part Number: STD551131
    Lock Washer
    Part Number: STD551131
      No Longer Available
  • D-23
    Ring – Part Number: 815691
    Ring
    Part Number: 815691
      No Longer Available
  • D-24
    Flat Washer – Part Number: STD551012
    Flat Washer
    Part Number: STD551012
      No Longer Available
  • D-25
    Screw – Part Number: 977492-001
    Screw
    Part Number: 977492-001
      No Longer Available
  • D-29
    Nut 8Pk – Part Number: STD541025
    Nut 8Pk
    Part Number: STD541025
      No Longer Available
  • D-30
    Actuator – Part Number: 816988
    Actuator
    Part Number: 816988
      No Longer Available
  • D-32
    Pin Index – Part Number: 815679-1
    Pin Index
    Part Number: 815679-1
      No Longer Available
  • D-34
    Machine Screw, 5-pack – Part Number: STD512515
    Machine Screw, 5-pack
    Part Number: STD512515
      No Longer Available
  • D-36
    Stud – Part Number: 815694
    Stud
    Part Number: 815694
      No Longer Available
  • D-37
    Flat Washer, 8Pk – Part Number: STD551031
    Flat Washer, 8Pk
    Part Number: STD551031
      No Longer Available
  • D-38
    Spacer – Part Number: 63777
    Spacer
    Part Number: 63777
      Special Order
    $137.88
  • D-39
    DECAL, ERROR CODE – Part Number: 60438
    DECAL, ERROR CODE
    Part Number: 60438
      Special Order
    $12.83
  • D-40
    Eccentric – Part Number: 815807
    Eccentric
    Part Number: 815807
      No Longer Available
Figure 5 - Arm Assembly
Figure 5 - Arm Assembly Diagram and Parts List for  Craftsman Chop Saw
  • E-1
    Arm Radial – Part Number: 818239
    Arm Radial
    Part Number: 818239
      No Longer Available
  • E-2
    Strain – Part Number: 169123-10
    Strain
    Part Number: 169123-10
      No Longer Available
  • E-4
    Rivet – Part Number: 815774
    Rivet
    Part Number: 815774
      No Longer Available
  • E-6
    Screw 8Pk – Part Number: STD601103
    Screw 8Pk
    Part Number: STD601103
      No Longer Available
  • E-7
    Knob – Part Number: 815703
    Knob
    Part Number: 815703
      No Longer Available
  • E-8
    Screw 5Pk – Part Number: STD523107
    Screw 5Pk
    Part Number: STD523107
      No Longer Available
  • E-9
    Bushing – Part Number: 815779
    Bushing
    Part Number: 815779
      No Longer Available
  • E-11
    Hsg Switch – Part Number: 815704
    Hsg Switch
    Part Number: 815704
      No Longer Available
  • E-12
    Washer 8Pk – Part Number: STD551208
    Washer 8Pk
    Part Number: STD551208
      No Longer Available
  • E-14
    Switch Key (Set of 2) – Part Number: 22256
    Switch Key (Set of 2)
    Part Number: 22256
      No Longer Available
  • E-16
    Wnut 5Pk – Part Number: STD375006
    Wnut 5Pk
    Part Number: STD375006
      No Longer Available
  • E-17
    Self-Tapping Screw – Part Number: STD600803
    Self-Tapping Screw
    Part Number: STD600803
      No Longer Available
  • E-19
    Bumper Rubbr – Part Number: 818521
    Bumper Rubbr
    Part Number: 818521
      No Longer Available
  • E-22
    Spring – Part Number: 815867
    Spring
    Part Number: 815867
      No Longer Available
  • E-24
    Relief Strn – Part Number: 815868
    Relief Strn
    Part Number: 815868
      No Longer Available
  • E-25
    Arm Track – Part Number: 818088-1
    Arm Track
    Part Number: 818088-1
      No Longer Available
  • E-26
    Thread-forming Screw, 8-pack – Part Number: STD610805
    Thread-forming Screw, 8-pack
    Part Number: STD610805
      No Longer Available
  • E-27
    Nut Push – Part Number: 60208-D
    Nut Push
    Part Number: 60208-D
      No Longer Available
  • E-28
    Label, Trim R.h. – Part Number: 818238
    Label, Trim R.h.
    Part Number: 818238
      No Longer Available
Figure 6 - Guard Assembly
Figure 6 - Guard Assembly Diagram and Parts List for  Craftsman Chop Saw
  • F-1
    Guard – Part Number: 816264-1
    Guard
    Part Number: 816264-1
      No Longer Available
  • F-2
    Hex Nut – Part Number: 120399
    Hex Nut
    Part Number: 120399
      No Longer Available
  • F-3
    Dust Guide – Part Number: 977223-001
    Dust Guide
    Part Number: 977223-001
      No Longer Available
  • F-6
    Fan Washer – Part Number: STD551010
    Fan Washer
    Part Number: STD551010
      No Longer Available
  • F-7
    Screw 8Pk – Part Number: STD601103
    Screw 8Pk
    Part Number: STD601103
      No Longer Available
  • F-8
    Nut 8Pk – Part Number: STD541231
    Nut 8Pk
    Part Number: STD541231
      No Longer Available
  • F-9
    Pawl – Part Number: 815815
    Pawl
    Part Number: 815815
      No Longer Available
  • F-10
    E-ring – Part Number: STD581050
    E-ring
    Part Number: STD581050
      No Longer Available
  • F-11
    Spreader – Part Number: 63270
    Spreader
    Part Number: 63270
      No Longer Available
  • F-12
    Bearing – Part Number: 816341
    Bearing
    Part Number: 816341
      No Longer Available
  • F-14
    Screw – Part Number: 816070
    Screw
    Part Number: 816070
      No Longer Available
  • F-15
    Screw Wing – Part Number: 166785-3
    Screw Wing
    Part Number: 166785-3
      No Longer Available
  • F-16
    Guard Clamp – Part Number: 63538
    Guard Clamp
    Part Number: 63538
      No Longer Available
  • F-17
    Screw 8Pk – Part Number: STD510805
    Screw 8Pk
    Part Number: STD510805
      No Longer Available
  • F-18
    Washer 8Pk – Part Number: STD551208
    Washer 8Pk
    Part Number: STD551208
      No Longer Available
  • F-19
    Nut 8Pk – Part Number: STD541008
    Nut 8Pk
    Part Number: STD541008
      No Longer Available
Figure 7 - Table Assembly
Figure 7 - Table Assembly Diagram and Parts List for  Craftsman Chop Saw
  • G-1
    Table Rear – Part Number: 818169
    Table Rear
    Part Number: 818169
      No Longer Available
  • G-2
    Table Spacer – Part Number: 818168
    Table Spacer
    Part Number: 818168
      No Longer Available
  • G-3
    Rip Fence – Part Number: 815758
    Rip Fence
    Part Number: 815758
      No Longer Available
  • G-4
    Table Frnt – Part Number: 818191
    Table Frnt
    Part Number: 818191
      No Longer Available
Figure 8 - Leg Set
Figure 8 - Leg Set Diagram and Parts List for  Craftsman Chop Saw
  • H-2
    Channel Leg – Part Number: 818163
    Channel Leg
    Part Number: 818163
      No Longer Available
  • H-3
    Stifnr Lwr – Part Number: 815909
    Stifnr Lwr
    Part Number: 815909
      No Longer Available
  • H-4
    Bracket Leg – Part Number: 818170
    Bracket Leg
    Part Number: 818170
      No Longer Available
  • H-5
    Nut 8Pk – Part Number: STD541237
    Nut 8Pk
    Part Number: STD541237
      No Longer Available
  • H-6
    Ft Level 3 – Part Number: 803835-1
    Ft Level 3
    Part Number: 803835-1
      No Longer Available
  • H-7
    Screw – Part Number: STD522506
    Screw
    Part Number: STD522506
      No Longer Available
  • H-8
    Washer 8Pk – Part Number: STD551225
    Washer 8Pk
    Part Number: STD551225
      No Longer Available
  • H-9
    Nut 8Pk – Part Number: STD541025
    Nut 8Pk
    Part Number: STD541025
      No Longer Available
Guard
Guard Diagram and Parts List for  Craftsman Chop Saw
  • M-3
    Washer 8Pk – Part Number: STD551025
    Washer 8Pk
    Part Number: STD551025
      No Longer Available
  • M-4
    Scrw Hx Wshr – Part Number: 815865
    Scrw Hx Wshr
    Part Number: 815865
      No Longer Available
  • M-5
    Screw 8Pk – Part Number: STD601105
    Screw 8Pk
    Part Number: STD601105
      No Longer Available
  • M-6
    Spacer – Part Number: 802392-47
    Spacer
    Part Number: 802392-47
      No Longer Available
  • M-9
    Flat Washer, 8Pk – Part Number: STD551031
    Flat Washer, 8Pk
    Part Number: STD551031
      No Longer Available
  • M-11
    Gasket – Part Number: 820515
    Gasket
    Part Number: 820515
      Special Order
    $13.60
  • M-12
    1/4-20 Hex Lock Nut – Part Number: STD541425
    1/4-20 Hex Lock Nut
    Part Number: STD541425
      No Longer Available
  • M-13
    Pawl – Part Number: 815815
    Pawl
    Part Number: 815815
      No Longer Available
  • M-15
    Screw 5Pk – Part Number: STD512510
    Screw 5Pk
    Part Number: STD512510
      No Longer Available
  • M-17
    Screw – Part Number: 824159
    Screw
    Part Number: 824159
      No Longer Available
  • M-19
    Washer 8Pk – Part Number: STD551225
    Washer 8Pk
    Part Number: STD551225
      No Longer Available
  • M-22
    E Ring – Part Number: STD581031
    E Ring
    Part Number: STD581031
      No Longer Available
  • M-23
    Carriage Bolt – Part Number: STD533107
    Carriage Bolt
    Part Number: STD533107
      No Longer Available
  • M-24
    Bolt Hd – Part Number: 809019-4
    Bolt Hd
    Part Number: 809019-4
      No Longer Available
  • M-26
    Guard Lower – Part Number: 821310
    Guard Lower
    Part Number: 821310
      No Longer Available
  • M-27
    Link – Part Number: 821311
    Link
    Part Number: 821311
      No Longer Available
  • M-28
    Guard – Part Number: 821312
    Guard
    Part Number: 821312
      No Longer Available
  • M-30
    Elbow Dust – Part Number: 828139
    Elbow Dust
    Part Number: 828139
      No Longer Available
  • M-31
    Pushnut – Part Number: 60413
    Pushnut
    Part Number: 60413
      No Longer Available
Guard Kit 509398/99 Table...
Guard Kit 509398/99 Table... Diagram and Parts List for  Craftsman Chop Saw
Motor 818888
Motor 818888 Diagram and Parts List for  Craftsman Chop Saw