Craftsman Parts

Craftsman 10" Radial Saw Chop Saw Replacement Parts For Model 113196380

We Sell Only Genuine Craftsman Parts

Popular Parts for 113196380

Search Within Model

Browse all Parts Search by Area
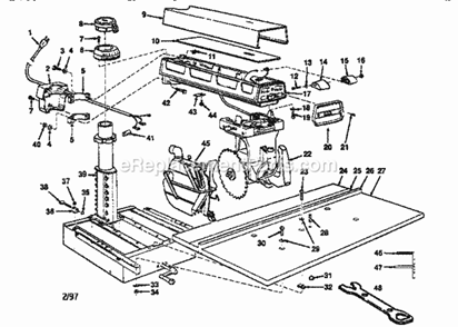
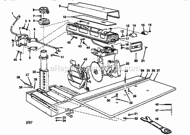
Page A Diagram and Parts List for  Craftsman Chop Saw
Page A
Page B Diagram and Parts List for  Craftsman Chop Saw
Page B
Page C Diagram and Parts List for  Craftsman Chop Saw
Page C
Page D Diagram and Parts List for  Craftsman Chop Saw
Page D
Page E Diagram and Parts List for  Craftsman Chop Saw
Page E
Page F Diagram and Parts List for  Craftsman Chop Saw
Page F
Previous Showing All Parts Next
Page A
Page A Diagram and Parts List for  Craftsman Chop Saw
  • A-4
    Washer – Part Number: 60353
    Washer
    Part Number: 60353
      No Longer Available
  • A-6
    Scale – Part Number: 63669
    Scale
    Part Number: 63669
      No Longer Available
  • A-7
    Screw 8Pk – Part Number: STD601105
    Screw 8Pk
    Part Number: STD601105
      No Longer Available
  • A-8
    MANUAL-GTS 300 A-Y – Part Number: 63670
    MANUAL-GTS 300 A-Y
    Part Number: 63670
      Special Order
    $13.60
  • A-9
    Trim Arm – Part Number: 824962
    Trim Arm
    Part Number: 824962
      No Longer Available
  • A-10
    Pad, Arm Trim – Part Number: 63686
    Pad, Arm Trim
    Part Number: 63686
      No Longer Available
  • A-11
    Nut, Square 3/8-16 – Part Number: 805494
    Nut, Square 3/8-16
    Part Number: 805494
      No Longer Available
  • A-12
    Screw – Part Number: 436594
    Screw
    Part Number: 436594
      No Longer Available
  • A-13
    Fan Washer – Part Number: STD551010
    Fan Washer
    Part Number: STD551010
      No Longer Available
  • A-16
    Spndl Pulley – Part Number: STD541110
    Spndl Pulley
    Part Number: STD541110
      No Longer Available
  • A-18
    Lock Washer – Part Number: STD551131
    Lock Washer
    Part Number: STD551131
      No Longer Available
  • A-19
    Screw Cap – Part Number: 9421620
    Screw Cap
    Part Number: 9421620
      No Longer Available
  • A-20
    Cap Arm – Part Number: 821473-3
    Cap Arm
    Part Number: 821473-3
      No Longer Available
  • A-21
    SWITCH ENCLOSURE – Part Number: 60337
    SWITCH ENCLOSURE
    Part Number: 60337
      Special Order
    $3584.04
  • A-23
    Screw 5Pk – Part Number: STD512520
    Screw 5Pk
    Part Number: STD512520
      No Longer Available
  • A-24
    Sensor-oxygen – Part Number: 821367
    Sensor-oxygen
    Part Number: 821367
      Special Order
    $374.62
  • A-25
    Table Spacer – Part Number: 821368
    Table Spacer
    Part Number: 821368
      No Longer Available
  • A-26
    Rip Fence – Part Number: 815758
    Rip Fence
    Part Number: 815758
      No Longer Available
  • A-27
    Table Front – Part Number: 821366
    Table Front
    Part Number: 821366
      No Longer Available
  • A-28
    Screw Set – Part Number: 102711A
    Screw Set
    Part Number: 102711A
      No Longer Available
  • A-29
    Flat Washer – Part Number: STD551012
    Flat Washer
    Part Number: STD551012
      No Longer Available
  • A-30
    Screw 5Pk – Part Number: STD512510
    Screw 5Pk
    Part Number: STD512510
      No Longer Available
  • A-31
    Oil Pump Gear Retaining Ring – Part Number: 37384
    Oil Pump Gear Retaining Ring
    Part Number: 37384
      Special Order
    $6.16
  • A-32
    Clip Nut – Part Number: 37530
    Clip Nut
    Part Number: 37530
      Special Order
    $4.28
  • A-33
    Washer 8Pk – Part Number: STD551125
    Washer 8Pk
    Part Number: STD551125
      No Longer Available
  • A-34
    Nut 8Pk – Part Number: STD541025
    Nut 8Pk
    Part Number: STD541025
      No Longer Available
  • A-35
    Table Clamp – Part Number: 818161
    Table Clamp
    Part Number: 818161
      No Longer Available
  • A-36
    Brkt Clamp – Part Number: 818166
    Brkt Clamp
    Part Number: 818166
      No Longer Available
  • A-37
    Hex Nut – Part Number: 120399
    Hex Nut
    Part Number: 120399
      No Longer Available
  • A-38
    Screw Clamp – Part Number: 818162-K
    Screw Clamp
    Part Number: 818162-K
      No Longer Available
  • A-42
    Bolt – Part Number: 60342
    Bolt
    Part Number: 60342
      No Longer Available
  • A-43
    Cord Clamp – Part Number: 60440
    Cord Clamp
    Part Number: 60440
      No Longer Available
  • A-44
    Screw – Part Number: 9420417
    Screw
    Part Number: 9420417
      No Longer Available
  • A-46
    Wrench – Part Number: 63683
    Wrench
    Part Number: 63683
      No Longer Available
  • A-47
    MANUAL-GTS 420 A-Y – Part Number: 63682
    MANUAL-GTS 420 A-Y
    Part Number: 63682
      Special Order
    $10.45
  • A-48
    HC WRENCH ARBOR – Part Number: 3540
    HC WRENCH ARBOR
    Part Number: 3540
      No Longer Available
Page B
Page B Diagram and Parts List for  Craftsman Chop Saw
  • B-1
    Screw 8Pk – Part Number: STD601105
    Screw 8Pk
    Part Number: STD601105
      No Longer Available
  • B-3
    Indicat Rip – Part Number: 63786
    Indicat Rip
    Part Number: 63786
      No Longer Available
  • B-4
    Screw 8Pk – Part Number: STD510605
    Screw 8Pk
    Part Number: STD510605
      No Longer Available
  • B-5
    Hex Nut – Part Number: 120399
    Hex Nut
    Part Number: 120399
      No Longer Available
  • B-7
    RADIATOR TUBE UPPER – Part Number: 63893
    RADIATOR TUBE UPPER
    Part Number: 63893
      Special Order
    $109.67
  • B-9
    Spring – Part Number: 63656
    Spring
    Part Number: 63656
      No Longer Available
  • B-10
    Flat Washer, 8Pk – Part Number: STD551031
    Flat Washer, 8Pk
    Part Number: STD551031
      No Longer Available
  • B-11
    Washer 8Pk – Part Number: STD551231
    Washer 8Pk
    Part Number: STD551231
      Special Order
    $8.97
  • B-12
    Screw 5Pk – Part Number: STD523107
    Screw 5Pk
    Part Number: STD523107
      No Longer Available
  • B-14
    Washer Assm – Part Number: 63782
    Washer Assm
    Part Number: 63782
      No Longer Available
  • B-15
    Spacer – Part Number: 63777
    Spacer
    Part Number: 63777
      Special Order
    $137.88
  • B-16
    Nut 2Pk – Part Number: STD541462
    Nut 2Pk
    Part Number: STD541462
      No Longer Available
  • B-17
    Washer 5Pk – Part Number: STD551062
    Washer 5Pk
    Part Number: STD551062
      No Longer Available
  • B-18
    Bumper – Part Number: 30567
    Bumper
    Part Number: 30567
      No Longer Available
  • B-19
    Gov. shaft washer – Part Number: 30530
    Gov. shaft washer
    Part Number: 30530
      Special Order
    $3.96
  • B-20
    Screw 5Pk – Part Number: STD523115
    Screw 5Pk
    Part Number: STD523115
      No Longer Available
  • B-21
    Bearing – Part Number: 63779
    Bearing
    Part Number: 63779
      No Longer Available
  • B-23
    SWIVAL SPRING – Part Number: 080038001463
    SWIVAL SPRING
    Part Number: 080038001463
      In Stock
    $6.16
  • B-24
    MANUAL-GTS 200 A-Y – Part Number: 63659
    MANUAL-GTS 200 A-Y
    Part Number: 63659
      Special Order
    $13.60
  • B-25
    Knob Asm – Part Number: 63660
    Knob Asm
    Part Number: 63660
      No Longer Available
  • B-26
    Carriage – Part Number: 63641
    Carriage
    Part Number: 63641
      No Longer Available
  • B-27
    Nut 8Pk – Part Number: STD541231
    Nut 8Pk
    Part Number: STD541231
      No Longer Available
  • B-28
    Nut – Part Number: 30495
    Nut
    Part Number: 30495
      No Longer Available
  • B-29
    Collar Blade – Part Number: 62498
    Collar Blade
    Part Number: 62498
      No Longer Available
  • B-30
    Blade – Part Number: 9-28875
    Blade
    Part Number: 9-28875
      No Longer Available
  • B-32
    Washer 8Pk – Part Number: STD551037
    Washer 8Pk
    Part Number: STD551037
      No Longer Available
  • B-34
    HC STUD MOTOR – Part Number: 63651
    HC STUD MOTOR
    Part Number: 63651
      Special Order
    $6.16
  • B-35
    Bushing – Part Number: 63469
    Bushing
    Part Number: 63469
      No Longer Available
  • B-36
    Yoke – Part Number: 63642
    Yoke
    Part Number: 63642
      No Longer Available
  • B-38
    Clamp – Part Number: 63643
    Clamp
    Part Number: 63643
      No Longer Available
  • B-42
    Cap – Part Number: 30582
    Cap
    Part Number: 30582
      No Longer Available
  • B-43
    Bevel – Part Number: 63620
    Bevel
    Part Number: 63620
      No Longer Available
  • B-44
    SWITCH ENCLOSURE – Part Number: 60337
    SWITCH ENCLOSURE
    Part Number: 60337
      Special Order
    $3584.04
  • B-45
    Self-Tapping Screw – Part Number: STD600803
    Self-Tapping Screw
    Part Number: STD600803
      No Longer Available
  • B-47
    FLANGE-FLYWHEEL – Part Number: 821354
    FLANGE-FLYWHEEL
    Part Number: 821354
      Special Order
    $366.28
  • B-48
    Handle Yoke – Part Number: 821342
    Handle Yoke
    Part Number: 821342
      No Longer Available
  • B-49
    Screw – Part Number: 9421628
    Screw
    Part Number: 9421628
      No Longer Available
  • B-50
    Lock Washer – Part Number: STD551131
    Lock Washer
    Part Number: STD551131
      No Longer Available
  • B-52
    Screw – Part Number: 9421627
    Screw
    Part Number: 9421627
      No Longer Available
  • B-54
    Index – Part Number: 63649
    Index
    Part Number: 63649
      No Longer Available
  • B-56
    Lock – Part Number: 63647
    Lock
    Part Number: 63647
      No Longer Available
  • B-57
    Washer 8Pk – Part Number: STD551210
    Washer 8Pk
    Part Number: STD551210
      No Longer Available
  • B-58
    Screw – Part Number: 806214
    Screw
    Part Number: 806214
      Special Order
    $4.28
  • B-59
    Screw 2Pk – Part Number: STD523120
    Screw 2Pk
    Part Number: STD523120
      No Longer Available
  • B-60
    Yoke – Part Number: 63646
    Yoke
    Part Number: 63646
      No Longer Available
  • B-62
    Clamp Cord – Part Number: 820633
    Clamp Cord
    Part Number: 820633
      No Longer Available
  • B-63
    Pan-head Screw – Part Number: STD600805
    Pan-head Screw
    Part Number: STD600805
      No Longer Available
Page C
Page C Diagram and Parts List for  Craftsman Chop Saw
  • C-1
    Screw 2Pk – Part Number: STD503705
    Screw 2Pk
    Part Number: STD503705
      No Longer Available
  • C-2
    Arm – Part Number: 63623
    Arm
    Part Number: 63623
      No Longer Available
  • C-3
    Ring Retain – Part Number: STD582300
    Ring Retain
    Part Number: STD582300
      No Longer Available
  • C-4
    Tube Asm – Part Number: 63611
    Tube Asm
    Part Number: 63611
      No Longer Available
  • C-6
    Pin 2Pk – Part Number: STD572510
    Pin 2Pk
    Part Number: STD572510
      No Longer Available
  • C-7
    Elevating Nut – Part Number: 821346
    Elevating Nut
    Part Number: 821346
      No Longer Available
  • C-8
    Screw 5Pk – Part Number: STD523107
    Screw 5Pk
    Part Number: STD523107
      No Longer Available
  • C-9
    Screw 5Pk – Part Number: STD523110
    Screw 5Pk
    Part Number: STD523110
      No Longer Available
  • C-10
    Screw 5Pk – Part Number: STD523105
    Screw 5Pk
    Part Number: STD523105
      No Longer Available
  • C-11
    Nut 8Pk – Part Number: STD541037
    Nut 8Pk
    Part Number: STD541037
      No Longer Available
  • C-12
    Washer, Lock 3/8 – Part Number: STD551137
    Washer, Lock 3/8
    Part Number: STD551137
      No Longer Available
  • C-13
    Washer – Part Number: 60340
    Washer
    Part Number: 60340
      No Longer Available
  • C-14
    Screw 5Pk – Part Number: STD523712
    Screw 5Pk
    Part Number: STD523712
      No Longer Available
  • C-16
    Screw – Part Number: 977492-001
    Screw
    Part Number: 977492-001
      No Longer Available
  • C-17
    Screw 2Pk – Part Number: STD523117
    Screw 2Pk
    Part Number: STD523117
      No Longer Available
  • C-18
    Screw 5Pk – Part Number: STD523115
    Screw 5Pk
    Part Number: STD523115
      No Longer Available
  • C-19
    Support Lh – Part Number: 63609
    Support Lh
    Part Number: 63609
      No Longer Available
  • C-21
    Washrthrust – Part Number: 63500
    Washrthrust
    Part Number: 63500
      No Longer Available
  • C-23
    Washr Thrust – Part Number: 60300
    Washr Thrust
    Part Number: 60300
      No Longer Available
  • C-25
    Nut 5Pk – Part Number: STD541450
    Nut 5Pk
    Part Number: STD541450
      No Longer Available
  • C-27
    Nut 8Pk – Part Number: STD541031
    Nut 8Pk
    Part Number: STD541031
      No Longer Available
  • C-28
    Locknut – Part Number: STD541431
    Locknut
    Part Number: STD541431
      No Longer Available
  • C-29
    E Ring – Part Number: STD581037
    E Ring
    Part Number: STD581037
      No Longer Available
  • C-32
    Washer 8Pk – Part Number: STD551050
    Washer 8Pk
    Part Number: STD551050
      No Longer Available
  • C-33
    E-ring – Part Number: STD581050
    E-ring
    Part Number: STD581050
      No Longer Available
  • C-35
    Ring Retaining – Part Number: SD581062
    Ring Retaining
    Part Number: SD581062
      No Longer Available
  • C-37
    Screw 5Pk – Part Number: STD502503
    Screw 5Pk
    Part Number: STD502503
      No Longer Available
  • C-38
    Wheel Hand – Part Number: 818526
    Wheel Hand
    Part Number: 818526
      No Longer Available
  • C-39
    Base Asm – Part Number: 63621
    Base Asm
    Part Number: 63621
      No Longer Available
  • C-40
    Channel Tble – Part Number: 818199
    Channel Tble
    Part Number: 818199
      No Longer Available
  • C-41
    Flat Washer, 8Pk – Part Number: STD551031
    Flat Washer, 8Pk
    Part Number: STD551031
      No Longer Available
  • C-42
    Lock Washer – Part Number: STD551131
    Lock Washer
    Part Number: STD551131
      No Longer Available
  • C-43
    Screw 5Pk – Part Number: STD523107
    Screw 5Pk
    Part Number: STD523107
      No Longer Available
Page D
Page D Diagram and Parts List for  Craftsman Chop Saw
  • D-3
    Flat Washer – Part Number: STD551012
    Flat Washer
    Part Number: STD551012
      No Longer Available
  • D-4
    Scrw Hx Wshr – Part Number: 815865
    Scrw Hx Wshr
    Part Number: 815865
      No Longer Available
  • D-5
    Screw 8Pk – Part Number: STD601105
    Screw 8Pk
    Part Number: STD601105
      No Longer Available
  • D-6
    Spacer – Part Number: 802392-47
    Spacer
    Part Number: 802392-47
      No Longer Available
  • D-8
    PREFILTER – Part Number: 62482
    PREFILTER
    Part Number: 62482
      Special Order
    $464.25
  • D-9
    Flat Washer, 8Pk – Part Number: STD551031
    Flat Washer, 8Pk
    Part Number: STD551031
      No Longer Available
  • D-11
    Gasket – Part Number: 820515
    Gasket
    Part Number: 820515
      Special Order
    $13.60
  • D-12
    1/4-20 Hex Lock Nut – Part Number: STD541425
    1/4-20 Hex Lock Nut
    Part Number: STD541425
      No Longer Available
  • D-13
    Washer 8Pk – Part Number: STD551025
    Washer 8Pk
    Part Number: STD551025
      No Longer Available
  • D-14
    Pawl – Part Number: 815815
    Pawl
    Part Number: 815815
      No Longer Available
  • D-16
    Screw 5Pk – Part Number: STD512510
    Screw 5Pk
    Part Number: STD512510
      No Longer Available
  • D-18
    Screw – Part Number: 824159
    Screw
    Part Number: 824159
      No Longer Available
  • D-22
    Washer 8Pk – Part Number: STD551225
    Washer 8Pk
    Part Number: STD551225
      No Longer Available
  • D-26
    Bolt Hd – Part Number: 809019-4
    Bolt Hd
    Part Number: 809019-4
      No Longer Available
  • D-27
    Ring 2Pk – Part Number: STD581025
    Ring 2Pk
    Part Number: STD581025
      No Longer Available
  • D-28
    Carriage Bolt – Part Number: STD533107
    Carriage Bolt
    Part Number: STD533107
      No Longer Available
  • D-29
    Stud (Turbo Charger) – Part Number: 820985
    Stud (Turbo Charger)
    Part Number: 820985
      Special Order
    $8.76
  • D-30
    Thread-forming Screw, 8-pack – Part Number: STD610805
    Thread-forming Screw, 8-pack
    Part Number: STD610805
      No Longer Available
  • D-31
    Washer – Part Number: 805548-10
    Washer
    Part Number: 805548-10
      Special Order
    $4.28
  • D-32
    Guard – Part Number: 821312
    Guard
    Part Number: 821312
      No Longer Available
  • D-33
    Link – Part Number: 821311
    Link
    Part Number: 821311
      No Longer Available
  • D-34
    Guard Lower – Part Number: 821310
    Guard Lower
    Part Number: 821310
      No Longer Available
  • D-36
    Pushnut – Part Number: 60413
    Pushnut
    Part Number: 60413
      No Longer Available
  • D-37
    Dust Guide – Part Number: 977223-001
    Dust Guide
    Part Number: 977223-001
      No Longer Available
Page E
Page E Diagram and Parts List for  Craftsman Chop Saw
  • E-2
    Index – Part Number: 63629
    Index
    Part Number: 63629
      No Longer Available
  • E-3
    Lock – Part Number: 63631
    Lock
    Part Number: 63631
      No Longer Available
  • E-4
    Spring, Tension – Part Number: 63628
    Spring, Tension
    Part Number: 63628
      Special Order
    $13403.17
  • E-5
    Screw – Part Number: 9420417
    Screw
    Part Number: 9420417
      No Longer Available
  • E-6
    RELAY & BREAKER ASM – Part Number: 63883
    RELAY & BREAKER ASM
    Part Number: 63883
      Special Order
    $174.87
  • E-10
    Spring Pin – Part Number: 60240
    Spring Pin
    Part Number: 60240
      Special Order
    $6.16
  • E-11
    Flat Washer, 8Pk – Part Number: STD551031
    Flat Washer, 8Pk
    Part Number: STD551031
      No Longer Available
  • E-12
    Lever Asm – Part Number: 63872
    Lever Asm
    Part Number: 63872
      No Longer Available
  • E-13
    Flat Washer – Part Number: STD551012
    Flat Washer
    Part Number: STD551012
      No Longer Available
  • E-14
    Nut Push – Part Number: 60208-D
    Nut Push
    Part Number: 60208-D
      No Longer Available
  • E-15
    Pin – Part Number: 63638
    Pin
    Part Number: 63638
      Special Order
    $6.16
  • E-19
    Screw 8Pk – Part Number: STD601103
    Screw 8Pk
    Part Number: STD601103
      No Longer Available
  • E-20
    Washer 8Pk – Part Number: STD551210
    Washer 8Pk
    Part Number: STD551210
      No Longer Available
  • E-21
    Track – Part Number: 63639
    Track
    Part Number: 63639
      No Longer Available
  • E-22
    Mach Screw – Part Number: 448337
    Mach Screw
    Part Number: 448337
      No Longer Available
  • E-23
    Switch Keys – Part Number: 22255
    Switch Keys
    Part Number: 22255
      No Longer Available
  • E-24
    Pan-head Screw – Part Number: STD600805
    Pan-head Screw
    Part Number: STD600805
      No Longer Available
  • E-26
    Radial Arm – Part Number: 63878
    Radial Arm
    Part Number: 63878
      No Longer Available
  • E-27
    Cord Clamp – Part Number: 60440
    Cord Clamp
    Part Number: 60440
      No Longer Available
Page F
Page F Diagram and Parts List for  Craftsman Chop Saw
  • F-2
    Screw – Part Number: STD522506
    Screw
    Part Number: STD522506
      No Longer Available
  • F-3
    Stiffener – Part Number: 821779
    Stiffener
    Part Number: 821779
      No Longer Available
  • F-5
    Washer 8Pk – Part Number: STD551225
    Washer 8Pk
    Part Number: STD551225
      No Longer Available
  • F-6
    Nut 8Pk – Part Number: STD541025
    Nut 8Pk
    Part Number: STD541025
      No Longer Available
  • F-7
    Screw 5Pk – Part Number: STD523106
    Screw 5Pk
    Part Number: STD523106
      No Longer Available
  • F-8
    Flat Washer, 8Pk – Part Number: STD551031
    Flat Washer, 8Pk
    Part Number: STD551031
      No Longer Available
  • F-9
    Lock Washer – Part Number: STD551131
    Lock Washer
    Part Number: STD551131
      No Longer Available
  • F-10
    Nut 8Pk – Part Number: STD541231
    Nut 8Pk
    Part Number: STD541231
      No Longer Available
  • F-11
    Nut 8Pk – Part Number: STD541037
    Nut 8Pk
    Part Number: STD541037
      No Longer Available
  • F-12
    Ft Level 3 – Part Number: 803835-1
    Ft Level 3
    Part Number: 803835-1
      No Longer Available