Craftsman Parts

Craftsman 3.7 Chainsaw Replacement Parts For Model 917353774

We Sell Only Genuine Craftsman Parts

Popular Parts for Craftsman 917353774

Search Within Model

Browse all Parts Search by Area
Carburetor Diagram and Parts List for 917353774  Craftsman Chainsaw
Carburetor
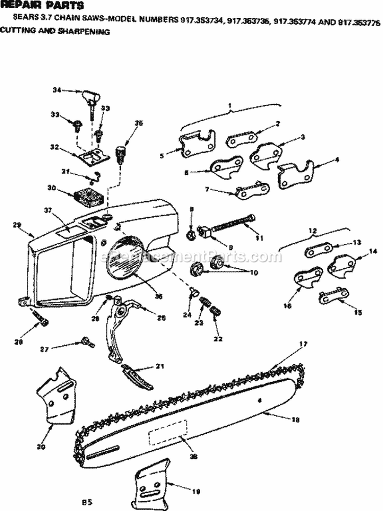
Cutting And Sharpening Diagram and Parts List for 917353774  Craftsman Chainsaw
Cutting And Sharpening
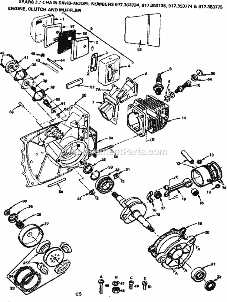
Engine Clutch And Muffler Diagram and Parts List for 917353774  Craftsman Chainsaw
Engine Clutch And Muffler
Main Frame Diagram and Parts List for 917353774  Craftsman Chainsaw
Main Frame
Maintenance Kit Diagram and Parts List for 917353774  Craftsman Chainsaw
Maintenance Kit
Recoil Starter Diagram and Parts List for 917353774  Craftsman Chainsaw
Recoil Starter
Solid State Diagram and Parts List for 917353774  Craftsman Chainsaw
Solid State
Previous Showing All Parts Next
Carburetor
Carburetor Diagram and Parts List for 917353774  Craftsman Chainsaw
  • F-5
    Screw – Part Number: 7382J
    Screw
    Part Number: 7382J
      No Longer Available
  • F-9
    Spring – Part Number: 7374J
    Spring
    Part Number: 7374J
      No Longer Available
  • F-18
    Screw – Part Number: 7365J
    Screw
    Part Number: 7365J
      No Longer Available
  • F-19
    Screw – Part Number: 7362J
    Screw
    Part Number: 7362J
      No Longer Available
  • F-20
    Pin – Part Number: 7358J
    Pin
    Part Number: 7358J
      No Longer Available
  • F-24
    Spring – Part Number: 7378J
    Spring
    Part Number: 7378J
      No Longer Available
  • F-25
    Choke Shaft – Part Number: 7379J
    Choke Shaft
    Part Number: 7379J
      No Longer Available
  • F-28
    Screw – Part Number: 7376J
    Screw
    Part Number: 7376J
      No Longer Available
Cutting And Sharpening
Cutting And Sharpening Diagram and Parts List for 917353774  Craftsman Chainsaw
Engine Clutch And Muffler
Engine Clutch And Muffler Diagram and Parts List for 917353774  Craftsman Chainsaw
Main Frame
Main Frame Diagram and Parts List for 917353774  Craftsman Chainsaw
  • A-2
    Washer 8Pk – Part Number: STD551125
    Washer 8Pk
    Part Number: STD551125
      No Longer Available
  • A-15
    Screw 8Pk – Part Number: STD600602
    Screw 8Pk
    Part Number: STD600602
      No Longer Available
  • A-22
    Machine Screw, 8-pack – Part Number: STD511007
    Machine Screw, 8-pack
    Part Number: STD511007
      No Longer Available
  • A-29
    Screw 5Pk – Part Number: STD511030
    Screw 5Pk
    Part Number: STD511030
      No Longer Available
  • A-39
    Screw 8Pk – Part Number: STD522507
    Screw 8Pk
    Part Number: STD522507
      No Longer Available
  • A-41
    Screw 5Pk – Part Number: STD501002
    Screw 5Pk
    Part Number: STD501002
      No Longer Available
  • A-43
    Pin 8Pk – Part Number: STD571205
    Pin 8Pk
    Part Number: STD571205
      No Longer Available
  • A-46
    Screw 8Pk – Part Number: STD522508
    Screw 8Pk
    Part Number: STD522508
      No Longer Available
  • A-49
    Screw 8Pk – Part Number: STD601005
    Screw 8Pk
    Part Number: STD601005
      No Longer Available
  • A-58
    O-ring 5Pk – Part Number: STD302214
    O-ring 5Pk
    Part Number: STD302214
      No Longer Available
  • A-62
    O-ring Seal – Part Number: STD302008
    O-ring Seal
    Part Number: STD302008
      No Longer Available
  • A-64
    Filter – Part Number: 676A33
    Filter
    Part Number: 676A33
      No Longer Available
  • A-70
    Screw 8Pk – Part Number: STD610810
    Screw 8Pk
    Part Number: STD610810
      No Longer Available
Maintenance Kit
Maintenance Kit Diagram and Parts List for 917353774  Craftsman Chainsaw
Recoil Starter
Recoil Starter Diagram and Parts List for 917353774  Craftsman Chainsaw
Solid State
Solid State Diagram and Parts List for 917353774  Craftsman Chainsaw