Craftsman Parts

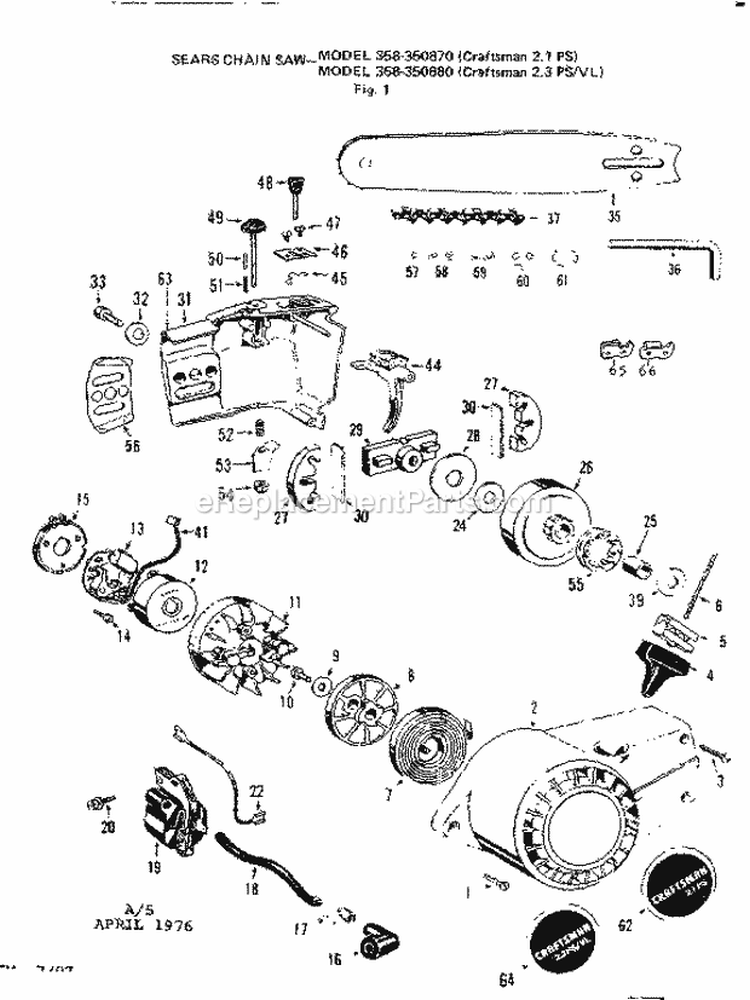
Craftsman Chainsaw Replacement Parts For Model 358350880

We Sell Only Genuine Craftsman Parts

Find Craftsman 358350880 Parts By Symptom

Will Not Start

80%

Engine stops after a few seconds or minutes

20%

Popular Parts for 358350880

Search Within Model

Questions & Answers for Craftsman 358350880
Browse all Parts Search by Area
Carburetor Diagram and Parts List for  Craftsman Chainsaw
Carburetor
Chassis/Bar/Handle Diagram and Parts List for  Craftsman Chainsaw
Chassis/Bar/Handle
Crankshaft-358.350870 Diagram and Parts List for  Craftsman Chainsaw
Crankshaft-358.350870
Cylinder/Shield/Crankshaft Diagram and Parts List for  Craftsman Chainsaw
Cylinder/Shield/Crankshaft
Flywheel Assembly Diagram and Parts List for  Craftsman Chainsaw
Flywheel Assembly
Handle Assembly Diagram and Parts List for  Craftsman Chainsaw
Handle Assembly
Maintenance Kit Diagram and Parts List for  Craftsman Chainsaw
Maintenance Kit
Page E Diagram and Parts List for  Craftsman Chainsaw
Page E
Pump Assembly Diagram and Parts List for  Craftsman Chainsaw
Pump Assembly
Previous Showing All Parts Next
Carburetor
Carburetor Diagram and Parts List for  Craftsman Chainsaw
  • F-5
    Gasket – Part Number: 530034043
    Gasket
    Part Number: 530034043
      No Longer Available
  • F-8
    Retainer Screw – Part Number: 530003717
    Retainer Screw
    Part Number: 530003717
      No Longer Available
  • F-9
    Carburetor Gasket – Part Number: 530019045
    Carburetor Gasket
    Part Number: 530019045
      No Longer Available
  • F-10
    Gasket – Part Number: 530034047
    Gasket
    Part Number: 530034047
      No Longer Available
  • F-17
    Gasket – Part Number: 530034064
    Gasket
    Part Number: 530034064
      No Longer Available
  • F-19
    Pin – Part Number: 530034056
    Pin
    Part Number: 530034056
      No Longer Available
  • F-23
    Spring – Part Number: 530034058
    Spring
    Part Number: 530034058
      No Longer Available
  • F-24
    Screw – Part Number: 530034059
    Screw
    Part Number: 530034059
      No Longer Available
  • F-26
    Valve – Part Number: 530034066
    Valve
    Part Number: 530034066
      No Longer Available
  • F-27
    Lever – Part Number: 530034061
    Lever
    Part Number: 530034061
      No Longer Available
  • F-28
    Throttle Shaft Clip – Part Number: 530003783
    Throttle Shaft Clip
    Part Number: 530003783
      No Longer Available
  • F-30
    Spring – Part Number: 530034062
    Spring
    Part Number: 530034062
      No Longer Available
  • F-31
    Shutter – Part Number: 530034063
    Shutter
    Part Number: 530034063
      No Longer Available
  • F-33
    Gasket – Part Number: 530034064
    Gasket
    Part Number: 530034064
      No Longer Available
Chassis/Bar/Handle
Chassis/Bar/Handle Diagram and Parts List for  Craftsman Chainsaw
Crankshaft-358.350870
Crankshaft-358.350870 Diagram and Parts List for  Craftsman Chainsaw
  • C-2
    Cylinder Gasket – Part Number: 530019044
    Cylinder Gasket
    Part Number: 530019044
      No Longer Available
  • C-3
    Machine Screw, 8-pack – Part Number: STD511007
    Machine Screw, 8-pack
    Part Number: STD511007
      No Longer Available
  • C-4
    Pin 8Pk – Part Number: STD560607
    Pin 8Pk
    Part Number: STD560607
      No Longer Available
  • C-5
    Screw – Part Number: 530016115
    Screw
    Part Number: 530016115
      No Longer Available
  • C-6
    Bar Adjust Pin – Part Number: 530023492
    Bar Adjust Pin
    Part Number: 530023492
      No Longer Available
  • C-8
    Cylinder Gasket – Part Number: 530019043
    Cylinder Gasket
    Part Number: 530019043
      No Longer Available
  • C-9
    Cylinder – Part Number: 530011245
    Cylinder
    Part Number: 530011245
      No Longer Available
  • C-12
    Champion Spark Plug Rcj-8y – Part Number: PM-2
    Champion Spark Plug Rcj-8y
    Part Number: PM-2
      No Longer Available
  • C-13
    Gasket – Part Number: 530019049
    Gasket
    Part Number: 530019049
      No Longer Available
  • C-16
    B57 Brg – Part Number: STD310507
    B57 Brg
    Part Number: STD310507
      No Longer Available
  • C-17
    Connecting Rod – Part Number: 530022077
    Connecting Rod
    Part Number: 530022077
      No Longer Available
  • C-18
    Crankpin Roller – Part Number: 530032019
    Crankpin Roller
    Part Number: 530032019
      No Longer Available
  • C-19
    Screws – Part Number: 530001723
    Screws
    Part Number: 530001723
      No Longer Available
  • C-20
    Wheel Nut – Part Number: STD541131
    Wheel Nut
    Part Number: STD541131
      No Longer Available
  • C-21
    Washer-Flywheel – Part Number: 530015127
    Washer-Flywheel
    Part Number: 530015127
    ★★★★★
    ★★★★★
    (1)
      In Stock
    $6.16
  • C-22
    Thrust Washer – Part Number: 530023354
    Thrust Washer
    Part Number: 530023354
      No Longer Available
  • C-23
    Crankshaft – Part Number: 530022076
    Crankshaft
    Part Number: 530022076
      No Longer Available
  • C-24
    Flywheel Key – Part Number: 530015126
    Flywheel Key
    Part Number: 530015126
      No Longer Available
  • C-27
    Spring – Part Number: 530023358
    Spring
    Part Number: 530023358
      No Longer Available
  • C-28
    O-RING – Part Number: 530019029
    O-RING
    Part Number: 530019029
      Special Order
    $5.17
  • C-30
    Oil Pump Cap – Part Number: 530023356
    Oil Pump Cap
    Part Number: 530023356
      No Longer Available
  • C-31
    Intake Valve – Part Number: 530023148
    Intake Valve
    Part Number: 530023148
      No Longer Available
  • C-32
    Oil Line Pick – Part Number: 530021012
    Oil Line Pick
    Part Number: 530021012
      No Longer Available
  • C-33
    Writ-oil Pic – Part Number: 530002589
    Writ-oil Pic
    Part Number: 530002589
      No Longer Available
  • C-34
    Gasket – Part Number: 530019054
    Gasket
    Part Number: 530019054
      No Longer Available
  • C-35
    Spring – Part Number: 530023421
    Spring
    Part Number: 530023421
      No Longer Available
  • C-37
    Compr Slllll – Part Number: STD575013
    Compr Slllll
    Part Number: STD575013
      No Longer Available
  • C-38
    Discharge – Part Number: 530021013
    Discharge
    Part Number: 530021013
      No Longer Available
  • C-39
    Fitting – Part Number: 530002615
    Fitting
    Part Number: 530002615
      No Longer Available
  • C-40
    O-ring 8Pk – Part Number: STD302113
    O-ring 8Pk
    Part Number: STD302113
      No Longer Available
  • C-41
    Oil Filler Cap – Part Number: 530010221
    Oil Filler Cap
    Part Number: 530010221
      No Longer Available
  • C-42
    Cylinder Studs – Part Number: 530001674
    Cylinder Studs
    Part Number: 530001674
      No Longer Available
  • C-43
    Washer 8Pk – Part Number: STD551125
    Washer 8Pk
    Part Number: STD551125
      No Longer Available
  • C-44
    Nut 8Pk – Part Number: STD541125
    Nut 8Pk
    Part Number: STD541125
      No Longer Available
  • C-45
    Seal Crankcase – Part Number: 530019051
    Seal Crankcase
    Part Number: 530019051
      No Longer Available
  • C-46
    Bearing – Part Number: 530032021
    Bearing
    Part Number: 530032021
      No Longer Available
  • C-48
    Muffler Cover – Part Number: 530029271
    Muffler Cover
    Part Number: 530029271
      No Longer Available
  • C-49
    Muffler Screen – Part Number: 530023592
    Muffler Screen
    Part Number: 530023592
      No Longer Available
  • C-50
    Screw – Part Number: 530001709
    Screw
    Part Number: 530001709
      No Longer Available
  • C-52
    Screw – Part Number: 530015189
    Screw
    Part Number: 530015189
      No Longer Available
  • C-53
    Spur – Part Number: 530023387
    Spur
    Part Number: 530023387
      No Longer Available
  • C-54
    Spur Screw – Part Number: STD511005
    Spur Screw
    Part Number: STD511005
      No Longer Available
  • C-55
    Screw – Part Number: 530015476
    Screw
    Part Number: 530015476
      No Longer Available
  • C-56
    Gasket – Part Number: 530019053
    Gasket
    Part Number: 530019053
      No Longer Available
  • C-58
    Screw – Part Number: 530015114
    Screw
    Part Number: 530015114
      No Longer Available
  • C-60
    Spring – Part Number: 530023456
    Spring
    Part Number: 530023456
      No Longer Available
  • C-61
    Spacer – Part Number: 530023535
    Spacer
    Part Number: 530023535
      No Longer Available
  • C-64
    Piston Ring – Part Number: 530023352
    Piston Ring
    Part Number: 530023352
      No Longer Available
  • C-65
    Cylinder – Part Number: 530011244
    Cylinder
    Part Number: 530011244
      No Longer Available
Cylinder/Shield/Crankshaft
Cylinder/Shield/Crankshaft Diagram and Parts List for  Craftsman Chainsaw
Flywheel Assembly
Flywheel Assembly Diagram and Parts List for  Craftsman Chainsaw
Handle Assembly
Handle Assembly Diagram and Parts List for  Craftsman Chainsaw
Maintenance Kit
Maintenance Kit Diagram and Parts List for  Craftsman Chainsaw
Page E
Page E Diagram and Parts List for  Craftsman Chainsaw
Pump Assembly
Pump Assembly Diagram and Parts List for  Craftsman Chainsaw
  • B-1
    Oil Pump Cap – Part Number: 530023356
    Oil Pump Cap
    Part Number: 530023356
      No Longer Available
  • B-3
    O-RING – Part Number: 530019029
    O-RING
    Part Number: 530019029
      Special Order
    $5.17
  • B-4
    Spring – Part Number: 530023358
    Spring
    Part Number: 530023358
      No Longer Available
  • B-6
    Pump Filter – Part Number: 530023698
    Pump Filter
    Part Number: 530023698
      No Longer Available
  • B-11
    Screw – Part Number: 530015114
    Screw
    Part Number: 530015114
      No Longer Available
  • B-12
    Gasket – Part Number: 530019053
    Gasket
    Part Number: 530019053
      No Longer Available
  • B-13
    Gasket – Part Number: 530019054
    Gasket
    Part Number: 530019054
      No Longer Available
  • B-14
    Spring – Part Number: 530023456
    Spring
    Part Number: 530023456
      No Longer Available
  • B-15
    Writ-oil Pic – Part Number: 530002589
    Writ-oil Pic
    Part Number: 530002589
      No Longer Available
  • B-16
    Intake Valve – Part Number: 530023148
    Intake Valve
    Part Number: 530023148
      No Longer Available
  • B-17
    Oil Line Pick – Part Number: 530021012
    Oil Line Pick
    Part Number: 530021012
      No Longer Available

Questions & Answers

?

Our customer Service team is at the ready daily to answer your part and product questions.

We're sorry, but our Q&A experts are temporarily unavailable.
Please check back later if you still haven't found the answer you need.

Ask our Team

We have a dedicated staff with decades of collective experience in helping customers just like you purchase parts to repair their products.