Milwaukee Parts

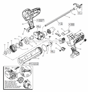
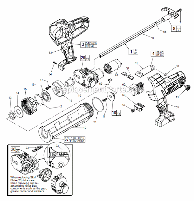
Milwaukee M18 Cordless Caulk and Adhesive Gun Caulking Gun Replacement Parts For Model 2640-20

We Sell Only Genuine Milwaukee Parts

Popular Parts for 2640-20

Search Within Model

Browse all Parts Search by Area
10_Oz_Quick_Cartidge_Kit_For_Cat_No_2641-20 Diagram and Parts List for  Milwaukee Caulking Gun
10_Oz_Quick_Cartidge_Kit_For_Cat_No_2641-20
Aluminum_Sausage_Cartridge_Kit_For_Cat_No_2642-21Ct Diagram and Parts List for  Milwaukee Caulking Gun
Aluminum_Sausage_Cartridge_Kit_For_Cat_No_2642-21Ct
Clear_Plastic_Sausage_Cartidge_Kit_For_Cat_No_2643-21Ct Diagram and Parts List for  Milwaukee Caulking Gun
Clear_Plastic_Sausage_Cartidge_Kit_For_Cat_No_2643-21Ct
Quart_Cartridge_Carriage_And_Corresponding_Components_For_Cat_No_48-08-1095 Diagram and Parts List for  Milwaukee Caulking Gun
Quart_Cartridge_Carriage_And_Corresponding_Components_For_Cat_No_48-08-1095
Previous Showing All Parts Next
10_Oz_Quick_Cartidge_Kit_For_Cat_No_2641-20
10_Oz_Quick_Cartidge_Kit_For_Cat_No_2641-20 Diagram and Parts List for  Milwaukee Caulking Gun
Aluminum_Sausage_Cartridge_Kit_For_Cat_No_2642-21Ct
Aluminum_Sausage_Cartridge_Kit_For_Cat_No_2642-21Ct Diagram and Parts List for  Milwaukee Caulking Gun
Clear_Plastic_Sausage_Cartidge_Kit_For_Cat_No_2643-21Ct
Clear_Plastic_Sausage_Cartidge_Kit_For_Cat_No_2643-21Ct Diagram and Parts List for  Milwaukee Caulking Gun
Quart_Cartridge_Carriage_And_Corresponding_Components_For_Cat_No_48-08-1095
Quart_Cartridge_Carriage_And_Corresponding_Components_For_Cat_No_48-08-1095 Diagram and Parts List for  Milwaukee Caulking Gun