Craftsman Parts

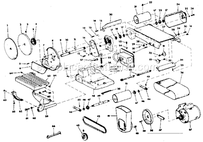
Craftsman Belt And Disc Sander Belt or Drum Sander Replacement Parts For Model 113225900

We Sell Only Genuine Craftsman Parts

Popular Parts for 113225900

Search Within Model

Browse all Parts Search by Area
Craftsman Belt And Disc S... Diagram and Parts List for  Craftsman Belt or Drum Sander
Craftsman Belt And Disc S...
Leg Set Diagram and Parts List for  Craftsman Belt or Drum Sander
Leg Set
On / Off Power Outlet 80382... Diagram and Parts List for  Craftsman Belt or Drum Sander
On / Off Power Outlet 80382...
Unit Diagram and Parts List for  Craftsman Belt or Drum Sander
Unit
Previous Showing All Parts Next
Craftsman Belt And Disc S...
Craftsman Belt And Disc S... Diagram and Parts List for  Craftsman Belt or Drum Sander
  • D-1
    Self-Tapping Screw – Part Number: STD600803
    Self-Tapping Screw
    Part Number: STD600803
      No Longer Available
  • D-2
    CARB MIXER #CA100M-3 – Part Number: 64088
    CARB MIXER #CA100M-3
    Part Number: 64088
      Special Order
    $186.31
  • D-3
    Cord – Part Number: 64886
    Cord
    Part Number: 64886
      No Longer Available
  • D-10
    Ft Level 3 – Part Number: 803835-1
    Ft Level 3
    Part Number: 803835-1
      No Longer Available
  • D-800
    HC TIE WIRE – Part Number: 71165
    HC TIE WIRE
    Part Number: 71165
      On Order
    $6.16
  • D-800
    Lockwasher – Part Number: STD561131
    Lockwasher
    Part Number: STD561131
      No Longer Available
  • D-800
    Nut 8Pk – Part Number: STD541231
    Nut 8Pk
    Part Number: STD541231
      No Longer Available
  • D-800
    Washer – Part Number: STD661831
    Washer
    Part Number: STD661831
      No Longer Available
  • D-800
    Bolt – Part Number: STD532567
    Bolt
    Part Number: STD532567
      No Longer Available
  • D-800
    Capacitor Screw – Part Number: STD623125
    Capacitor Screw
    Part Number: STD623125
      No Longer Available
Leg Set
Leg Set Diagram and Parts List for  Craftsman Belt or Drum Sander
  • C-2
    Screw – Part Number: STD522506
    Screw
    Part Number: STD522506
      No Longer Available
  • C-3
    Nut 8Pk – Part Number: STD541025
    Nut 8Pk
    Part Number: STD541025
      No Longer Available
  • C-4
    Pin 8Pk – Part Number: STD561225
    Pin 8Pk
    Part Number: STD561225
      No Longer Available
  • C-5
    Head B.S.P.T. – Part Number: 68060
    Head B.S.P.T.
    Part Number: 68060
      Special Order
    $911.65
  • C-6
    Stiffener – Part Number: 68059
    Stiffener
    Part Number: 68059
      No Longer Available
  • C-7
    TAPE, 62615 1 X 1/8 X 50 – Part Number: 62615
    TAPE, 62615 1 X 1/8 X 50
    Part Number: 62615
      Special Order
    $1065.73
  • C-9
    Nut – Part Number: STD541000
    Nut
    Part Number: STD541000
      No Longer Available
  • C-800
    Nut 8Pk – Part Number: STD541231
    Nut 8Pk
    Part Number: STD541231
      No Longer Available
  • C-800
    Washer – Part Number: STD661831
    Washer
    Part Number: STD661831
      No Longer Available
  • C-800
    Bolt – Part Number: STD532567
    Bolt
    Part Number: STD532567
      No Longer Available
  • C-800
    Lockwasher – Part Number: STD561131
    Lockwasher
    Part Number: STD561131
      No Longer Available
  • C-800
    Capacitor Screw – Part Number: STD623125
    Capacitor Screw
    Part Number: STD623125
      No Longer Available
  • C-800
    HC TIE WIRE – Part Number: 71165
    HC TIE WIRE
    Part Number: 71165
      On Order
    $6.16
On / Off Power Outlet 80382...
On / Off Power Outlet 80382... Diagram and Parts List for  Craftsman Belt or Drum Sander
  • B-1
    ROTOR ASY-25KWBRSHLS – Part Number: 60382
    ROTOR ASY-25KWBRSHLS
    Part Number: 60382
      Special Order
    $2333.36
  • B-1A
    Cord – Part Number: 508984
    Cord
    Part Number: 508984
      No Longer Available
  • B-3
    Switch Keys – Part Number: 22255
    Switch Keys
    Part Number: 22255
      No Longer Available
  • B-4
    MUFFLER SUPPORT – Part Number: 60374
    MUFFLER SUPPORT
    Part Number: 60374
      Special Order
    $101.17
  • B-6
    Screw – Part Number: 610120-005
    Screw
    Part Number: 610120-005
      No Longer Available
  • B-8
    Screw – Part Number: STD800803
    Screw
    Part Number: STD800803
      No Longer Available
  • B-800
    Lockwasher – Part Number: STD561131
    Lockwasher
    Part Number: STD561131
      No Longer Available
  • B-800
    HC TIE WIRE – Part Number: 71165
    HC TIE WIRE
    Part Number: 71165
      On Order
    $6.16
  • B-800
    Bolt – Part Number: STD532567
    Bolt
    Part Number: STD532567
      No Longer Available
  • B-800
    Washer – Part Number: STD661831
    Washer
    Part Number: STD661831
      No Longer Available
  • B-800
    Nut 8Pk – Part Number: STD541231
    Nut 8Pk
    Part Number: STD541231
      No Longer Available
  • B-800
    Capacitor Screw – Part Number: STD623125
    Capacitor Screw
    Part Number: STD623125
      No Longer Available
Unit
Unit Diagram and Parts List for  Craftsman Belt or Drum Sander
  • A-2
    MANUAL 5.7L 36-50KW – Part Number: 68033
    MANUAL 5.7L 36-50KW
    Part Number: 68033
      No Longer Available
  • A-3
    Screw 2Pk – Part Number: STD503103
    Screw 2Pk
    Part Number: STD503103
      No Longer Available
  • A-4
    Table Saw Pulley – Part Number: STD328022
    Table Saw Pulley
    Part Number: STD328022
      No Longer Available
  • A-5
    Screw – Part Number: STD800803
    Screw
    Part Number: STD800803
      No Longer Available
  • A-7
    Scrw Machine – Part Number: 133656
    Scrw Machine
    Part Number: 133656
      No Longer Available
  • A-9
    Shaft Drive – Part Number: 68069
    Shaft Drive
    Part Number: 68069
      No Longer Available
  • A-10
    Key 2Pk – Part Number: STD580025
    Key 2Pk
    Part Number: STD580025
      No Longer Available
  • A-11
    Unloader Assembly – Part Number: 38812
    Unloader Assembly
    Part Number: 38812
      No Longer Available
  • A-12
    Screw 5Pk – Part Number: STD523115
    Screw 5Pk
    Part Number: STD523115
      No Longer Available
  • A-13
    Lockwasher – Part Number: STD561131
    Lockwasher
    Part Number: STD561131
      No Longer Available
  • A-15
    Flat Washer, 8Pk – Part Number: STD551031
    Flat Washer, 8Pk
    Part Number: STD551031
      No Longer Available
  • A-17
    Ring 2Pk – Part Number: STD590062
    Ring 2Pk
    Part Number: STD590062
      No Longer Available
  • A-18
    Bearing Ball – Part Number: 60434
    Bearing Ball
    Part Number: 60434
      No Longer Available
  • A-19
    Screw 5Pk – Part Number: STD523110
    Screw 5Pk
    Part Number: STD523110
      No Longer Available
  • A-20
    918 ROLL GROOVER – Part Number: 47222
    918 ROLL GROOVER
    Part Number: 47222
      Special Order
    $7070.18
  • A-21
    Pulley – Part Number: 47190
    Pulley
    Part Number: 47190
      No Longer Available
  • A-22
    Screw 5pk – Part Number: STD502502
    Screw 5pk
    Part Number: STD502502
      No Longer Available
  • A-23
    Bearing – Part Number: 3509
    Bearing
    Part Number: 3509
      No Longer Available
  • A-24
    Trap Dust – Part Number: 68006
    Trap Dust
    Part Number: 68006
      No Longer Available
  • A-25
    Pin 8Pk – Part Number: STD561210
    Pin 8Pk
    Part Number: STD561210
      No Longer Available
  • A-26
    Panel Screw – Part Number: STD511105
    Panel Screw
    Part Number: STD511105
      No Longer Available
  • A-28
    Washer 8Pk – Part Number: STD551037
    Washer 8Pk
    Part Number: STD551037
      No Longer Available
  • A-29
    MANUAL-400A GTS MERV – Part Number: 68007
    MANUAL-400A GTS MERV
    Part Number: 68007
      No Longer Available
  • A-30
    Screw 8Pk – Part Number: STD510805
    Screw 8Pk
    Part Number: STD510805
      No Longer Available
  • A-31
    DIESEL PUMP 24V 5PSI – Part Number: 68008
    DIESEL PUMP 24V 5PSI
    Part Number: 68008
      Special Order
    $293.17
  • A-32
    DIES, UNIV 1/2-3/4 NPT HS LH – Part Number: 47815
    DIES, UNIV 1/2-3/4 NPT HS LH
    Part Number: 47815
      Special Order
    $460.76
  • A-33
    Cam, Rh – Part Number: 68009
    Cam, Rh
    Part Number: 68009
      No Longer Available
  • A-35
    Machine Screw, 8-pack – Part Number: STD510803
    Machine Screw, 8-pack
    Part Number: STD510803
      No Longer Available
  • A-37
    Brkt Support – Part Number: 60254
    Brkt Support
    Part Number: 60254
      No Longer Available
  • A-38
    Beltguard – Part Number: 60253
    Beltguard
    Part Number: 60253
      No Longer Available
  • A-40
    S Clip – Part Number: 60255
    S Clip
    Part Number: 60255
      No Longer Available
  • A-41
    MANUAL 8690&8691 – Part Number: 60252
    MANUAL 8690&8691
    Part Number: 60252
      No Longer Available
  • A-42
    Belt – Part Number: STD304410
    Belt
    Part Number: STD304410
      No Longer Available
  • A-43
    V-belt Pulley, 2-in – Part Number: STD328012
    V-belt Pulley, 2-in
    Part Number: STD328012
      No Longer Available
  • A-44
    Control Shft – Part Number: 47622
    Control Shft
    Part Number: 47622
      No Longer Available
  • A-45
    Pin 5Pk – Part Number: STD571807
    Pin 5Pk
    Part Number: STD571807
      No Longer Available
  • A-46
    Retanng Ring – Part Number: 607461-001
    Retanng Ring
    Part Number: 607461-001
      No Longer Available
  • A-47
    Bearing – Part Number: 38536
    Bearing
    Part Number: 38536
      No Longer Available
  • A-49
    Idler Shaft – Part Number: 47621
    Idler Shaft
    Part Number: 47621
      No Longer Available
  • A-50
    5/32 Hex Key – Part Number: 28136
    5/32 Hex Key
    Part Number: 28136
      No Longer Available
  • A-51
    Adapter – Part Number: 47414
    Adapter
    Part Number: 47414
      No Longer Available
  • A-53
    Screw 8Pk – Part Number: STD512505
    Screw 8Pk
    Part Number: STD512505
      No Longer Available
  • A-54
    Washer 8Pk – Part Number: STD551125
    Washer 8Pk
    Part Number: STD551125
      No Longer Available
  • A-55
    Bolt – Part Number: STD525045
    Bolt
    Part Number: STD525045
      No Longer Available
  • A-56
    Nut 5Pk – Part Number: STD541250
    Nut 5Pk
    Part Number: STD541250
      No Longer Available
  • A-57
    Screw 5Pk – Part Number: STD523107
    Screw 5Pk
    Part Number: STD523107
      No Longer Available
  • A-58
    Screw 2Pk – Part Number: STD523122
    Screw 2Pk
    Part Number: STD523122
      No Longer Available
  • A-60
    Nut 8Pk – Part Number: STD541025
    Nut 8Pk
    Part Number: STD541025
      No Longer Available
  • A-61
    Screw, Hex Head 1/4-20 x 1-1/4 – Part Number: STD522512
    Screw, Hex Head 1/4-20 x 1-1/4
    Part Number: STD522512
      No Longer Available
  • A-62
    High Pressure Inlet Valve Assembly – Part Number: 38738
    High Pressure Inlet Valve Assembly
    Part Number: 38738
      No Longer Available
  • A-63
    Screw 5Pk – Part Number: STD523107
    Screw 5Pk
    Part Number: STD523107
      No Longer Available
  • A-64
    Pin 5Pk – Part Number: STD571812
    Pin 5Pk
    Part Number: STD571812
      No Longer Available
  • A-65
    Worktable – Part Number: 68055
    Worktable
    Part Number: 68055
      No Longer Available
  • A-66
    HC TIE WIRE – Part Number: 71165
    HC TIE WIRE
    Part Number: 71165
      On Order
    $6.16
  • A-67
    Motor – Part Number: 12004
    Motor
    Part Number: 12004
      No Longer Available
  • A-68
    Mtg. Brkt – Part Number: 69184
    Mtg. Brkt
    Part Number: 69184
      No Longer Available
  • A-800
    HC TIE WIRE – Part Number: 71165
    HC TIE WIRE
    Part Number: 71165
      On Order
    $6.16
  • A-800
    Nut 8Pk – Part Number: STD541231
    Nut 8Pk
    Part Number: STD541231
      No Longer Available
  • A-800
    Capacitor Screw – Part Number: STD623125
    Capacitor Screw
    Part Number: STD623125
      No Longer Available
  • A-800
    Lockwasher – Part Number: STD561131
    Lockwasher
    Part Number: STD561131
      No Longer Available
  • A-800
    Bolt – Part Number: STD532567
    Bolt
    Part Number: STD532567
      No Longer Available
  • A-800
    Washer – Part Number: STD661831
    Washer
    Part Number: STD661831
      No Longer Available