Craftsman Parts

Craftsman 12-Inch Electronic Band Saw Replacement Parts For Model 113247410

We Sell Only Genuine Craftsman Parts

Popular Parts for Craftsman 113247410

Search Within Model

Browse all Parts Search by Area
23" Cabinet Diagram and Parts List for 113247410  Craftsman Band Saw
23" Cabinet
Base Components Diagram and Parts List for 113247410  Craftsman Band Saw
Base Components
Bevel Drive And Motor Mount Diagram and Parts List for 113247410  Craftsman Band Saw
Bevel Drive And Motor Mount
Drive Assembly Parts Diagram and Parts List for 113247410  Craftsman Band Saw
Drive Assembly Parts
Motor - 816612 Diagram and Parts List for 113247410  Craftsman Band Saw
Motor - 816612
Previous Showing All Parts Next
23" Cabinet
23" Cabinet Diagram and Parts List for 113247410  Craftsman Band Saw
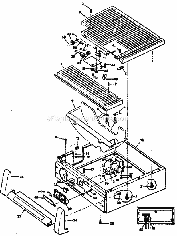
  • D-1
    Screw – Part Number: STD522506
    Screw
    Part Number: STD522506
      No Longer Available
  • D-2
    Skirt 23" – Part Number: 815900
    Skirt 23"
    Part Number: 815900
      No Longer Available
  • D-4
    Panel Side R.h. – Part Number: 817151
    Panel Side R.h.
    Part Number: 817151
      No Longer Available
  • D-5
    Cover – Part Number: 816111
    Cover
    Part Number: 816111
      No Longer Available
  • D-6
    Nut 8Pk – Part Number: STD541025
    Nut 8Pk
    Part Number: STD541025
      No Longer Available
  • D-7
    Washer 8Pk – Part Number: STD551225
    Washer 8Pk
    Part Number: STD551225
      No Longer Available
  • D-8
    Spacer – Part Number: 817108
    Spacer
    Part Number: 817108
      No Longer Available
  • D-9
    Nut 8Pk – Part Number: STD541237
    Nut 8Pk
    Part Number: STD541237
      No Longer Available
  • D-10
    Ft Level 3 – Part Number: 803835-1
    Ft Level 3
    Part Number: 803835-1
      No Longer Available
  • D-12
    Stiffener, Shelf – Part Number: 816063
    Stiffener, Shelf
    Part Number: 816063
      No Longer Available
  • D-13
    Panel Side L.h. – Part Number: 817150
    Panel Side L.h.
    Part Number: 817150
      No Longer Available
  • D-14
    Door Cabinet – Part Number: 815882
    Door Cabinet
    Part Number: 815882
      No Longer Available
  • D-15
    Hinge, Door – Part Number: 815934
    Hinge, Door
    Part Number: 815934
      No Longer Available
  • D-16
    Screw – Part Number: 816274-1
    Screw
    Part Number: 816274-1
      No Longer Available
  • D-17
    Catch Mag – Part Number: 815933
    Catch Mag
    Part Number: 815933
      No Longer Available
  • D-18
    Screw – Part Number: 816274
    Screw
    Part Number: 816274
      No Longer Available
  • D-19
    Screw 8Pk – Part Number: STD600603
    Screw 8Pk
    Part Number: STD600603
      No Longer Available
Base Components
Base Components Diagram and Parts List for 113247410  Craftsman Band Saw
Bevel Drive And Motor Mount
Bevel Drive And Motor Mount Diagram and Parts List for 113247410  Craftsman Band Saw
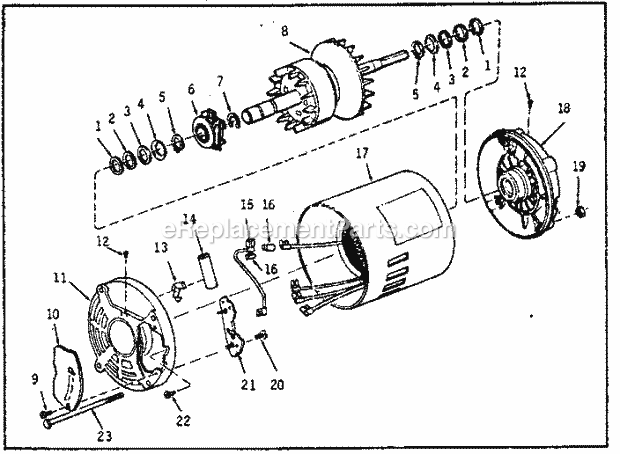
  • C-1
    Hnd Whl Asm. – Part Number: 816499
    Hnd Whl Asm.
    Part Number: 816499
      No Longer Available
  • C-2
    Knb Bvl Lck – Part Number: 816386
    Knb Bvl Lck
    Part Number: 816386
      No Longer Available
  • C-3
    Pnon Hnd Whl – Part Number: 816381
    Pnon Hnd Whl
    Part Number: 816381
      No Longer Available
  • C-4
    Gr Hnd Whl – Part Number: 816384
    Gr Hnd Whl
    Part Number: 816384
      No Longer Available
  • C-6
    Shaft Bevel – Part Number: 816382
    Shaft Bevel
    Part Number: 816382
      No Longer Available
  • C-7
    Pin 5Pk – Part Number: STD571207
    Pin 5Pk
    Part Number: STD571207
      No Longer Available
  • C-8
    Screw Hex Hd – Part Number: 815865-2
    Screw Hex Hd
    Part Number: 815865-2
      No Longer Available
  • C-12
    Washer – Part Number: 60317
    Washer
    Part Number: 60317
      No Longer Available
  • C-13
    Gear – Part Number: 816443
    Gear
    Part Number: 816443
      No Longer Available
  • C-14
    Pnon Bvl Drv – Part Number: 816348
    Pnon Bvl Drv
    Part Number: 816348
      No Longer Available
  • C-15
    Spacer – Part Number: 802392-38
    Spacer
    Part Number: 802392-38
      No Longer Available
  • C-16
    Washer – Part Number: 805562-1
    Washer
    Part Number: 805562-1
      No Longer Available
  • C-17
    Nut Push – Part Number: 60208-D
    Nut Push
    Part Number: 60208-D
      No Longer Available
  • C-18
    Spring Pin – Part Number: 60240
    Spring Pin
    Part Number: 60240
      Special Order
    $6.16
  • C-19
    Cm Bvl Lck – Part Number: 816360
    Cm Bvl Lck
    Part Number: 816360
      No Longer Available
  • C-23
    Thread-forming Screw, 8-pack – Part Number: STD610805
    Thread-forming Screw, 8-pack
    Part Number: STD610805
      No Longer Available
  • C-24
    Screw – Part Number: 809372-18
    Screw
    Part Number: 809372-18
      No Longer Available
  • C-25
    Spndl Pulley – Part Number: STD541110
    Spndl Pulley
    Part Number: STD541110
      No Longer Available
  • C-26
    Spprt Frm – Part Number: 816504
    Spprt Frm
    Part Number: 816504
      No Longer Available
  • C-29
    3/16 Sq Key – Part Number: STD580103
    3/16 Sq Key
    Part Number: STD580103
      No Longer Available
  • C-31
    Screw 2Pk – Part Number: STD503105
    Screw 2Pk
    Part Number: STD503105
      No Longer Available
  • C-32
    Blt Ply V – Part Number: 816439-2
    Blt Ply V
    Part Number: 816439-2
      No Longer Available
  • C-33
    Motor – Part Number: 816612
    Motor
    Part Number: 816612
      No Longer Available
  • C-34
    DECAL, COMPACT – Part Number: 60453
    DECAL, COMPACT
    Part Number: 60453
      Special Order
    $11.27
  • C-36
    Std Blt Tnsn – Part Number: 816815
    Std Blt Tnsn
    Part Number: 816815
      No Longer Available
  • C-37
    Wingnut Unc – Part Number: STD541631
    Wingnut Unc
    Part Number: STD541631
      No Longer Available
  • C-38
    Nt Hx Flng – Part Number: 816817
    Nt Hx Flng
    Part Number: 816817
      No Longer Available
  • C-41
    Flat Washer – Part Number: STD551012
    Flat Washer
    Part Number: STD551012
      No Longer Available
  • C-42
    Screw – Part Number: 815992-1
    Screw
    Part Number: 815992-1
      No Longer Available
  • C-43
    Washer 8Pk – Part Number: STD551125
    Washer 8Pk
    Part Number: STD551125
      No Longer Available
  • C-44
    Screw 5Pk – Part Number: STD502505
    Screw 5Pk
    Part Number: STD502505
      No Longer Available
  • C-45
    Encoder Bevel – Part Number: 816405
    Encoder Bevel
    Part Number: 816405
      No Longer Available
  • C-46
    Thread-forming Screw, 8-pack – Part Number: STD610805
    Thread-forming Screw, 8-pack
    Part Number: STD610805
      No Longer Available
Drive Assembly Parts
Drive Assembly Parts Diagram and Parts List for 113247410  Craftsman Band Saw
Motor - 816612
Motor - 816612 Diagram and Parts List for 113247410  Craftsman Band Saw