Frigidaire Parts

Frigidaire Air Conditioner Replacement Parts For Model FAC083W7A5B

We Sell Only Genuine Frigidaire Parts

Popular Parts for FAC083W7A5B

Search Within Model

Browse all Parts Search by Area
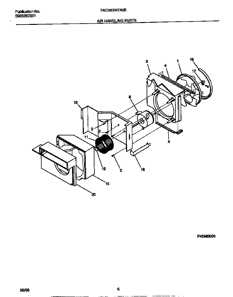
AIR HANDLING PARTS Diagram and Parts List for  Frigidaire Air Conditioner
AIR HANDLING PARTS
CABINET FRONT AND WRAPPER Diagram and Parts List for  Frigidaire Air Conditioner
CABINET FRONT AND WRAPPER
COMPRESSOR PARTS Diagram and Parts List for  Frigidaire Air Conditioner
COMPRESSOR PARTS
CONTROL PARTS Diagram and Parts List for  Frigidaire Air Conditioner
CONTROL PARTS
COVER Diagram and Parts List for  Frigidaire Air Conditioner
COVER
WINDOW MOUNTING PARTS Diagram and Parts List for  Frigidaire Air Conditioner
WINDOW MOUNTING PARTS
WIRING DIAGRAM Diagram and Parts List for  Frigidaire Air Conditioner
WIRING DIAGRAM
Previous Showing All Parts Next
AIR HANDLING PARTS
AIR HANDLING PARTS Diagram and Parts List for  Frigidaire Air Conditioner
  • 1
    FAN BLADE – Part Number: 5303270893
    FAN BLADE
    Part Number: 5303270893
      No Longer Available
  • 2
    SCREW – Part Number: 131202300
    SCREW
    Part Number: 131202300
      In Stock
    $23.88
  • 3
    SHROUD-CONDENSER – Part Number: 5303302437
    SHROUD-CONDENSER
    Part Number: 5303302437
      Special Order
    $80.23
  • 4
    SEAL – Part Number: 5303270043
    SEAL
    Part Number: 5303270043
      Special Order
    $8.65
  • 7
    SCREW – Part Number: 5303211311
    SCREW
    Part Number: 5303211311
      Special Order
    $24.97
  • 8
    MOTOR-FAN, 3 SPEED – Part Number: 5303291522
    MOTOR-FAN, 3 SPEED
    Part Number: 5303291522
      Special Order
    $183.05
  • 10
    #BULKHEAD-COMP;V;SU – Part Number: 309602404
    #BULKHEAD-COMP;V;SU
    Part Number: 309602404
      Special Order
    $36.23
  • 11
    BLOWER WHEEL – Part Number: 309603301
    BLOWER WHEEL
    Part Number: 309603301
      Special Order
    $52.23
  • 12
    Clamp-blower – Part Number: 309112101
    Clamp-blower
    Part Number: 309112101
      No Longer Available
  • 15
    HOUSING-BLOWER – Part Number: 5304407653
    HOUSING-BLOWER
    Part Number: 5304407653
      Special Order
    $51.07
  • 16
    CLIP – Part Number: 309100201
    CLIP
    Part Number: 309100201
      Special Order
    $8.65
  • 17
    Fan Blade Clamp – Part Number: 5308011040
    Fan Blade Clamp
    Part Number: 5308011040
      Special Order
    $27.69
  • 18
    DEFLECTOR-WATER – Part Number: 5303270042
    DEFLECTOR-WATER
    Part Number: 5303270042
      Special Order
    $21.70
  • 20
    PLATE-BLOWER HOUSIN – Part Number: 5303303573
    PLATE-BLOWER HOUSIN
    Part Number: 5303303573
      Special Order
    $43.70
CABINET FRONT AND WRAPPER
CABINET FRONT AND WRAPPER Diagram and Parts List for  Frigidaire Air Conditioner
  • 1
    USE WCI 5304417321 – Part Number: 5303302856
    USE WCI 5304417321
    Part Number: 5303302856
      Special Order
    $52.23
  • 7
    LINK – Part Number: 5303303089
    LINK
    Part Number: 5303303089
      Special Order
    $8.65
  • 8
    LOUVER Assembly – Part Number: 309603901
    LOUVER Assembly
    Part Number: 309603901
      Special Order
    $11.91
  • 9
    LOUVER – Part Number: 5303303087
    LOUVER
    Part Number: 5303303087
      Special Order
    $9.74
  • 10
    LOUVER – Part Number: 5303303088
    LOUVER
    Part Number: 5303303088
      Special Order
    $8.65
  • 12
    FILTER – Part Number: 5303305842
    FILTER
    Part Number: 5303305842
      Special Order
    $53.84
  • 17
    USE WCI 309603402 – Part Number: 309603413
    USE WCI 309603402
    Part Number: 309603413
      Special Order
    $54.90
  • 19
    DIAL PLATE – Part Number: 309613526
    DIAL PLATE
    Part Number: 309613526
      Special Order
    $27.14
  • 20
    KNOB-CONTROL – Part Number: 309306801
    KNOB-CONTROL
    Part Number: 309306801
      Special Order
    $20.62
  • 25
    DOOR-VENTILATOR – Part Number: 5303317476
    DOOR-VENTILATOR
    Part Number: 5303317476
      Special Order
    $27.14
  • 26
    HANDLE-VENT DOOR – Part Number: 309100504
    HANDLE-VENT DOOR
    Part Number: 309100504
      Special Order
    $8.65
  • 28
    CLIP – Part Number: 309100401
    CLIP
    Part Number: 309100401
      Special Order
    $27.14
  • 29
    SCREW – Part Number: 134178901
    SCREW
    Part Number: 134178901
      Special Order
    $23.88
COMPRESSOR PARTS
COMPRESSOR PARTS Diagram and Parts List for  Frigidaire Air Conditioner
  • 1
    COMPRESSOR – Part Number: 5303300200
    COMPRESSOR
    Part Number: 5303300200
      Special Order
    $430.38
  • 2
    Grommet – Part Number: 5303283877
    Grommet
    Part Number: 5303283877
      Special Order
    $33.03
  • 3
    NUT – Part Number: 5308006948
    NUT
    Part Number: 5308006948
      Special Order
    $8.65
  • 6
    GASKET – Part Number: 5303002035
    GASKET
    Part Number: 5303002035
      No Longer Available
  • 7
    USE WCI 5304440969 – Part Number: 3002034
    USE WCI 5304440969
    Part Number: 3002034
      Special Order
    $22.79
  • 8
    OVERLOAD PROTECTOR – Part Number: 5303211026
    OVERLOAD PROTECTOR
    Part Number: 5303211026
      Special Order
    $102.12
  • 9
    NUT-COVER – Part Number: 5303301734
    NUT-COVER
    Part Number: 5303301734
      Special Order
    $8.65
  • 10
    START ASSIST KIT – Part Number: 5303317601
    START ASSIST KIT
    Part Number: 5303317601
      Special Order
    $105.24
  • 11
    EVAPORATOR – Part Number: 309604207
    EVAPORATOR
    Part Number: 309604207
      Special Order
    $166.04
  • 12
    USE WCI 309645401 – Part Number: 5303303195
    USE WCI 309645401
    Part Number: 5303303195
      Special Order
    $139.28
  • 13
    TRAY-EVAPORATOR – Part Number: 5303302849
    TRAY-EVAPORATOR
    Part Number: 5303302849
      Special Order
    $40.50
  • 14
    BASE-COMPRESSOR – Part Number: 5304413780
    BASE-COMPRESSOR
    Part Number: 5304413780
      Special Order
    $53.84
  • 16
    CAPILLARY TUBE – Part Number: 5303209547
    CAPILLARY TUBE
    Part Number: 5303209547
      Special Order
    $36.10
  • 17
    DRIER-FILTER – Part Number: 5300265301
    DRIER-FILTER
    Part Number: 5300265301
      Special Order
    $183.32
  • 19
    WASHER – Part Number: 309112501
    WASHER
    Part Number: 309112501
      Special Order
    $8.65
  • 20
    SPRING – Part Number: 5303002036
    SPRING
    Part Number: 5303002036
      Special Order
    $17.35
  • 21
    WASHER – Part Number: 5303295516
    WASHER
    Part Number: 5303295516
      Special Order
    $8.65
CONTROL PARTS
CONTROL PARTS Diagram and Parts List for  Frigidaire Air Conditioner
  • 7
    CONTROL-BOX – Part Number: 309602502
    CONTROL-BOX
    Part Number: 309602502
      Special Order
    $33.03
  • 8
    SWITCH-SELECTOR – Part Number: 5303313962
    SWITCH-SELECTOR
    Part Number: 5303313962
      No Longer Available
  • 9
    CONTROL – Part Number: 5303302852
    CONTROL
    Part Number: 5303302852
      No Longer Available
  • 10
    #BULKHEAD-COMP;V;SU – Part Number: 309602404
    #BULKHEAD-COMP;V;SU
    Part Number: 309602404
      Special Order
    $36.23
  • 12
    CLIP – Part Number: 309101202
    CLIP
    Part Number: 309101202
      Special Order
    $8.65
  • 13
    CAPACITOR – Part Number: 5303303576
    CAPACITOR
    Part Number: 5303303576
      No Longer Available
  • 14
    SCREW – Part Number: 134178901
    SCREW
    Part Number: 134178901
      Special Order
    $23.88
  • 15
    STRAP-CAPACITOR – Part Number: 5303303086
    STRAP-CAPACITOR
    Part Number: 5303303086
      Special Order
    $33.03
  • 17
    Electric Power Cord – Part Number: 5304403293
    Electric Power Cord
    Part Number: 5304403293
      No Longer Available
  • 18
    SCREW – Part Number: 5303007754
    SCREW
    Part Number: 5303007754
      Special Order
    $9.74
  • 19
    COVER – Part Number: 5303302855
    COVER
    Part Number: 5303302855
      Special Order
    $33.03
  • 20
    SLEEVE – Part Number: 5303002600
    SLEEVE
    Part Number: 5303002600
      No Longer Available
COVER
COVER Diagram and Parts List for  Frigidaire Air Conditioner
WINDOW MOUNTING PARTS
WINDOW MOUNTING PARTS Diagram and Parts List for  Frigidaire Air Conditioner
  • *45560
    INSTRUCTIONS – Part Number: 5303303809
    INSTRUCTIONS
    Part Number: 5303303809
      Special Order
    $8.65
  • 1
    SEAL – Part Number: 5304407729
    SEAL
    Part Number: 5304407729
      Special Order
    $38.36
  • 2
    BRACKET – Part Number: 5303211056
    BRACKET
    Part Number: 5303211056
      Special Order
    $39.43
  • 4
    Curtain and Frame Assembly - Left Side – Part Number: 5304423372
    Curtain and Frame Assembly - Left Side
    Part Number: 5304423372
      No Longer Available
  • 5
    SEAL – Part Number: 08016226
    SEAL
    Part Number: 08016226
      Special Order
    $30.89
  • 6
    RETAINER – Part Number: 5303303795
    RETAINER
    Part Number: 5303303795
      Special Order
    $33.03
  • 7
    SCREW – Part Number: 5303211311
    SCREW
    Part Number: 5303211311
      Special Order
    $24.97
  • 14
    Curtain and Frame Assembly - Right Side – Part Number: 5304423373
    Curtain and Frame Assembly - Right Side
    Part Number: 5304423373
      No Longer Available
  • 15
    ACCORDIAN – Part Number: 5303302862
    ACCORDIAN
    Part Number: 5303302862
      No Longer Available
  • 16
    RETAINER – Part Number: 5303302859
    RETAINER
    Part Number: 5303302859
      Special Order
    $41.56
  • 17
    SCREW-WOOD – Part Number: 3002803
    SCREW-WOOD
    Part Number: 3002803
      Special Order
    $14.09
  • 18
    SCREW – Part Number: 134178901
    SCREW
    Part Number: 134178901
      Special Order
    $23.88
  • 20
    Screw,pan head ,8-18 x 0.750 – Part Number: 5303295750
    Screw,pan head ,8-18 x 0.750
    Part Number: 5303295750
      Special Order
    $8.65
  • 22
    RAIL – Part Number: 5304403252
    RAIL
    Part Number: 5304403252
      No Longer Available
  • 23
    SCREW – Part Number: 3001806
    SCREW
    Part Number: 3001806
      Special Order
    $8.65
  • 24
    SCREW – Part Number: 5308002974
    SCREW
    Part Number: 5308002974
      Special Order
    $8.65
WIRING DIAGRAM
WIRING DIAGRAM Diagram and Parts List for  Frigidaire Air Conditioner